📝Инженерная графика Темы 1-10
Описание
Введение
Тема 1. Основные сведения по оформлению чертежей. Правила вычерчивания контуров технических деталей
Тема 2. Основы начертательной геометрии
Тема 3. Проецирование геометрических тел. Аксонометрические проекции. Сечение геометрических тел плоскостями
Тема 4. Взаимное пересечение поверхностей тел
Тема 5. Правила разработки и оформления конструкторской и технологической документации
Тема 6. Изображения, виды, разрезы, сечения
Тема 7. Винтовые поверхности и изделия с резьбой
Тема 8. Эскизы деталей и рабочие чертежи
Тема 9. Разъемные и неразъемные соединения. Общие сведения об изделиях и составление сборочных чертежей.
Тема 10. Особенности чтения и порядок деталирования чертежей. Выполнение схемы электрической принципиальной
Заключение
По спецификации можно определить …
название детали и материал, из которого она изготовлена
масштаб детали и её размеры
материал изделия и порядок его изготовления
порядок сборки изделия
Основная надпись чертежа имеет размеры …
185х55 мм
40х50 мм
23х60 мм
10х15 мм
На сборочных чертежах видимые составные части изделия и их элементы, расположенные за сеткой, а также частично закрытые расположенными впереди составными частями …
можно не показывать
показывать частями
нужно показывать
нужно показывать местным разрезом
Тонкие стенки детали, служащие для усиления изделия, — это …
стенки
ребра жесткости
усилительные ребра
узлы крепления
Символ обозначения используется, чтобы показать …
радиус
хорду
диаметр
сферу
Расположите обозначения частей резьбы в следующем порядке: сбег, фаска, недовод, недорез (см. рисунок ниже):
1 #3
2 #1
3 #4
4 #2
Изображение фигуры, полученное при мысленном рассечении предмета одной или несколькими плоскостями, называется …
разрезанием
местным видом
сечением
главным видом
На рисунке изображён
Шар и гиперболоид
Шар и конус
Шар и наклонный цилиндр
Шар и тор
Указанные стрелками (см. рисунок ниже) части шестигранной призмы называются боковые …
рёбра
грани
снования
линии сгиба
Метчик — это инструмент, который используется для …
нарезания конусной резьбы
нарезания внутренней резьбы
создания отверстий
создания фасок
Сопоставьте вид размера и его определение:
A. Габаритные размеры
B. Монтажные размеры
C. Эксплуатационные размеры
D. Прочие размеры
E. (длина, ширина, высота) указывают пространство, занимаемое изделием
F. устанавливают взаимосвязь и взаимное расположение деталей в сборочной единице, например: расстояние между осями валов и т.п.
G. характеризуют работу сборочной единицы. К ним относятся диаметры проходных отверстий вентилей и задвижек, максимальные углы поворота рукояток, расстояние между крайними положениями подвижных деталей, максимальный ход поршня и т.д.
H. для инструментов, употребляемых при сборке (размеры «под ключ» для гаек и болтов, квадратов для посадки маховиков и т.п.)
На рисунке (см. ниже) показаны …
тор и усеченный конус
цилиндр и гиперболоид
два конуса
конус и 1/4 шара
Участок с неполноценным профилем резьбы, называется … резьбы
шагом
сбегом
профилем
длиной
Шплинт нужен для …
увеличения и предохранения опорной поверхности
уплотнения соединения
предотвращения самоотвинчивания
надежного скрепления двух соединяемых деталей
Узел, образованный соединительными деталями (заклепками, винтами и др.) и прилегающими частями соединяемых деталей (фланцами), форма которых подчинена задаче соединения – это …
В данной детали (см. рисунок ниже) … отверстия d10
2
3
4
Восстановите правильную последовательность вычерчивания эскиза (см. рисунки ниже):
1
2
3
4
Изображенный (см. рисунок ниже) лист называется …
спецификацией
чертежом
титульным листом
экспликацией
Линия пересечения двух соосных цилиндров одинакового диаметра образует …
прямые линии
окружность
две параболы
два эллипса
Масштабом увеличения является …
2:1
1:100
1:3
1:1
Метрическая резьба правильно изображена на чертеже (см. рисунок ниже) под номером …
1
2
3
4
Горизонтальная плоскость уровня параллельна …
горизонтальной плоскости проекций
фронтальной плоскости проекций
профильной плоскости проекций
двум плоскостям сразу
На изображении (см. ниже) у осей прямоугольной изометрии … градусов
Если требуется выяснить конструкцию в отдельном, ограниченном месте детали, применяют … разрез
местный
дополнительный
фрагментарный
частичный
На поверхности конуса лежат (см. рисунок ниже) …
точки А, В
точки B, С
точки C, А
все точки
На поверхности цилиндра лежит точка (см. рисунок ниже) …
А
B
C
Высота прописных (заглавных) букв у чертежного шрифта №10 равна … мм
На чертеже (см. ниже) изображено соединение …
штифтом
шлицевое
шплинтом
муфтой
Наносить размерные линии предпочтительно … изображения
вне контура
внутри контура
на самом контуре
Наружная резьба выполнена верно на чертеже под номером (см. рисунок ниже) …
1
2
3
4
Натуральную величину отреза АВ (см. рисунок ниже) определяет плоскость …
П2
П1
П3
Неверно, что точка (см. рисунок ниже) … принадлежит хотя бы одной из плоскостей проекций
1
2
3
4
Неверно, что фигура под номером … является поверхностью вращения (см. рисунок ниже)
1
2
3
4
Неразъемные соединения деталей …
можно собрать и разобрать без повреждения деталей входящих в соединение
нельзя разобрать без повреждения деталей входящих в соединения
нельзя собрать без поломки деталей входящих в соединение
нельзя разобрать без специального инструмента
Определите верную последовательность выполнения эскиза детали:
1 определяется форма детали и ее основных элементов, на которые можно мысленно расчленить деталь
2 выбирается главный вид детали и устанавливается необходимое и достаточное количество изображений: видов, разрезов, сечений
3 устанавливается формат листа для эскиза по ГОСТУ (Межгосударственный стандарт) 2.301 — 68, с учетом «требований к характеристике детали на эскизе»
4 производится компоновка изображений на поле эскиза, определяются границы изображений, проводятся осевые и центровые линии
Ось ОХ — это пересечение плоскостей …
П1 и П3
П2 и П3
П1 и П4
П1 и П2
Параметр, который характеризует соединение изделий и определяется величиной получающихся при соединении зазоров или натягов, — это …
Поверхность, образованную при винтовом движении плоского контура по цилиндрической или конической поверхности, называют …
конусом
элипсоидой
сферой
резьбой
Позиционное обозначение элемента на схеме наносят …
рядом с элементом
справа от элемента
над графическим изображением элемента
справа или над условным графическим изображением элемента
При выполнении технического проекта ставится литера…
Т
А
Б
У
При выполнении учебного проекта ставится литера …
Т
А
Б
У
Проставьте изображения (см. ниже) в следующем порядке: скрещивающиеся прямые, прямая не лежит в плоскости, прямая пересекает плоскость, прямая параллельная плоскости:
1
2
3
4
Проставьте название фигур и их изображение (см. ниже) в следующем порядке: цилиндрическая поверхность, призматическая поверхность, торовая поверхность:
1
2
3
Проставьте последовательно определения в следующем порядке: прямая пересекает конус, прямая пересекает шар, прямая не пересекает конус, прямая не пересекает шар:
1
2
3
4
Проставьте последовательность определения с изображением в следующем порядке: схема, эскиз, условное обозначение, чертеж (см. рисунок ниже):
1
2
3
4
Проставьте правильное соотношение название видов и их изображения (см. ниже):
A. Вид сверху
B. Вид снизу
C. Вид спереди
D. Вид слева
E. Вид справа
F. Вид сзади
G.
H.
I.
J.
K.
L.
Проставьте правильную последовательность (слева-направо) наименований граф в таблице перечней элементов (см. рисунок ниже):
1 позиция обозначения
2 наименование
3 количество
4 примечание
Процесс выполнения чертежей деталей по сборочному чертежу – это …
конструирование
деталирование
разборка
сборка
Прямая, параллельная профильной плоскости проекций, называется …
прямой общего положения
горизонтальной прямой уровня
фронтальной прямой уровня
профильной прямой уровня
Прямая, параллельная фронтальной плоскости проекций, называется …
прямой общего положения
горизонтальной прямой уровня
фронтальной прямой уровня
профильной прямой уровня
Радиус основания конуса на рисунке (см. ниже) равен …
Сопоставьте изображения (см. ниже) и их определения:
A. Соединение муфтой
B. Соединение угольником
C. Соединение крестом
D. Соединение тройником
E.
F.
G.
H.
Расположение аксонометрических осей, изображенных на рисунке (см. ниже), называется …
прямоугольная изометрия
прямоугольная диметрия
косоугольная горизонтальная изометрия
Расположение аксонометрических осей, изображенных на рисунке (см. ниже), называется …
прямоугольная изометрия
прямоугольная диметрия
косоугольная горизонтальная изометрия
Расположите масштабы в порядке увеличения:
1 1:15
2 1:1
3 2:1
4 15:1
Сопоставьте размеры с оформлением листа А3:
A. 297х420мм
B. 5мм
C. 20мм
D. 185х55мм
E. размер листа
F. поля справа, снизу, сверху
G. поле слева
H. основная надпись
Расположите фигуры в следующем порядке: конус, шар, тор, цилиндр (см. рисунки ниже):
1
2
3
4
Расположите части болтового соединения в следующей последовательности: болт, гайка, шайба, отверстие (см. рисунки ниже):
1
2
3
4
Расставьте точки на поверхности конуса в следующем порядке: точка лежит на основании конуса, точка лежит на вершине конуса, точка принадлежит очерковой конуса, точка лежит на поверхности конуса (см. рисунок ниже):
1 точка 3
2 точка 1
3 точка 2
4 точка 4
Сопоставьте понятия и их определения:
A. Шайба
B. Винт
C. Болт
D. Гайка
E. может подкладываться под гайку или головку другого крепёжного изделия, под шплинт и т.п. для создания большей площади опорной поверхности, предотвращения самоотвинчивания крепёжной детали
F. имеет вид стержня с наружной резьбой на одном конце и конструктивным элементом для передачи крутящего момента на другом
G. крепёжное изделие в форме стержня с наружной резьбой на одном конце, с головкой на другом
H. крепёжное изделие с резьбовым отверстием, образующее разборное соединение с помощью винта, болта или шпильки
Резьба, изображенная на рисунке (см. ниже), называется …
цилиндрическая
метрическая
коническая
дюймовая
Совокупность элементов, представляющая единую конструкцию, — это …
Сопоставьте изображение (см. ниже) с названием:
A. Горизонтально проецирующая плосоксть
B. Фронтально проецирующая плоскость
C. Общего положения
D. Профильно проецирующая плоскость
E.
F.
G.
H.
Сопоставьте изображение (см. ниже) с соответствующим ему определением:
A. Сечение плоскостью конуса
B. Сечение плоскостью пирамиды
C. Сечение плоскостью шара
D. Сечение плоскостью цилиндра
E.
F.
G.
H.
Сопоставьте название и изображение фигур (см. ниже):
A. Конус
B. Пирамида
C. Гиперболоид
D. Цилиндр
E.
F.
G.
H.
Сопоставьте названия измерительных приборов с их изображением (см. ниже):
A. Штангенциркуль
B. Микрометр
C. Радиусомеры
D. Штангенглубомер
E.
F.
G.
H.
Сопоставьте определения с изображением (см. ниже):
A. Прямые скрещивающиеся
B. Прямые пересекающиеся
C. Точка лежит на прямой
D. Точка не лежит на прямой
E.
F.
G.
H.
Сопоставьте плоскости конуса и то, что получается в результате их сечения (см. рисунок ниже):
A.
B.
C.
D.
E.
F. окружность
G. эллипс
H. парабола
I. прямые линии
J. гипербола
Сопоставьте понятия и их определения:
A. Сборочный чертеж
B. Сборочной единицей
C. Комплекс
D. Комплект
E. два и более изделия, несоединенных на предприятии-изготовителе сборочными операциями и представляющих набор изделий, имеющих общее эксплуатационное назначение вспомогательного характера
F. называется изделие, составные части которого подлежат соединению между собой на предприятии-изготовителе сборочными операциями
G. документ, содержащий изображения изделия и другие данные, необходимые для его сборки (изготовления) и контроля
H. два и более специфицированных изделия, не соединенных на предприятии-изготовителе сборочными операциям, но предназначенных для выполнения взаимосвязанных эксплуатационных функций
Сопоставьте понятия и их определения:
A. Соединение крестом
B. Соединение угольником
C. Соединение муфтой
D. Соединение тройником
E. представляет соединение труб крест-накрест с помощью ответных фланцев
F. используется для состыковки труб одинакового диаметра
G. служит для установки манометра на муфтовом клапане
H. отвод потока рабочей среды от основного трубопровода осуществляется только под углом в 90 градусов
Укажите правильный порядок заполнение полей в основной надписи чертежа: разработал, проверил, наименование предприятия, масштаб чертежа (см. рисунок ниже):
1 поле 1
2 поле 4
3 поле 2
4 поле 3
Сопоставьте составные части изделия изображенные на картинке (см. ниже) с их названиями:
A.
B.
C.
D.
E. цилиндр
F. стойка
G. призма
H. отверстия
Сопоставьте чертеж и метод, который использовался для решения задачи:
A.
B.
C.
D. теорема монжа
E. метод секущих сфер
F. секущие плоскости
Тип линии, изображенный на рисунке (см. ниже), служит для обозначения …
невидимого контура
видимого контура
размерной линии
осей и центров
Установите соответствие между изображением и определением резьбы:
A.
B.
C.
D.
E.
F. упорная
G. трубная цилиндрическая
H. трапецеидальная
I. метрическая
J. прямоугольная
Установите соответствие между понятием и его изображением (см. ниже):
A. Горизонтально проецирующая прямая
B. Фронтально проецирующая прямая
C. Прямая общего положения
D. Фронталь
E. Горизонталь
F.
G.
H.
I.
J.
Деталь машины, вращающаяся в опорах, предназначенная для передачи крутящих моментов от одной детали к другой, — это …
Установите соответствие размеров листа с форматом:
A. А1
B. А2
C. А3
D. А4
E. А5
F. А6
G. 594×841 мм
H. 420×594 мм
I. 297×420 мм
J. 210×297 мм
K. 210х148 мм
L. 148х105 мм
В сечении конуса от плоскости Q (см. рисунок ниже) получится …
парабола
эллипс
окружность
гипербола
Буквой «Г» обозначается … схема
гидравлическая
кинематическая
газовая
электрическая
Если вращать прямую L вокруг оси i (см. рисунок ниже), то получится …
конус
шар
тор
цилиндр
Линии пересечения двух призматических поверхностей – это …
прямые ломанные линии
окружности
кривые линии
параболы и гиперболы
Кинематические схемы обозначаются буквой …
К
Э
С
Л
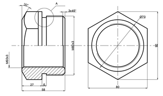
Расставьте размеры в следующей последовательности: количество сквозных отверстий, диаметр сквозного отверстия, высота детали, ширина детали (см. рисунок ниже):
1 1
2 20
3 70
4 50
Наклон чертежного шрифта должен быть …
10⁰
25⁰
75⁰
60⁰
Тип линии, изображенный на рисунке (см. ниже), служит для обозначения …
невидимого контура
видимого контура
размерной линии
осей и центров
Изображаются на чертеже не рассеченными …
любые детали, находящиеся за секущей плоскостью
любые детали, находящиеся перед секущей плоскостью
валы, шпонки, болты, шпильки, все не пустотелые тела, когда их секущая плоскость проходит вдоль их осевой линии
резьбы, отверстия, рёбра жесткости и все прилегающие составные части изготавливаемой детали
Сопоставьте условное обозначение соединений деталей:
A. Винтовое
B. Болтовое
C. Шпилечное
D. Винтовое с потайной головкой
E.
F.
G.
H.
Расположите наименования позиций в следующем порядке (см. рисунок ниже): позиция 3, позиция 1, позиция 2, позиция 6:
1 чертилка
2 основание
3 стержень
4 винт зажимной
Размер проставляется на расстоянии … от чертежа предмета (детали)
5мм
6мм
8мм
10ммПоказать/скрыть дополнительное описание
Инженерная графика.ои(dor_БАК) Введение Тема 1. Основные сведения по оформлению чертежей. Правила вычерчивания контуров технических деталей Тема 2. Основы начертательной геометрии Тема 3. Проецирование геометрических тел. Аксонометрические проекции. Сечение геометрических тел плоскостями Тема 4. Взаимное пересечение поверхностей тел Тема 5. Правила разработки и оформления конструкторской и технологической документации Тема 6. Изображения, виды, разрезы, сечения Тема 7. Винтовые поверхности и изделия с резьбой Тема 8. Эскизы деталей и рабочие чертежи Тема 9. Разъемные и неразъемные соединения. Общие сведения об изделиях и составление сборочных чертежей. Тема 10.
Особенности чтения и порядок деталирования чертежей. Выполнение схемы электрической принципиальной Заключение По спецификации можно определить … название детали и материал, из которого она изготовлена масштаб детали и её размеры материал изделия и порядок его изготовления порядок сборки изделия Основная надпись чертежа имеет размеры … 185х55 мм 40х50 мм 23х60 мм 10х15 мм На сборочных чертежах видимые составные части изделия и их элементы, расположенные за сеткой, а также частично закрытые расположенными впереди составными частями … можно не показывать показывать частями нужно показывать нужно показывать местным разрезом Тонкие стенки детали, служащие для усиления изделия, — это … стенки ребра жесткости усилительные ребра узлы крепления Символ обозначения используется, чтобы показать … радиус хорду диаметр сферу Расположите обозначения частей резьбы в следующем порядке: сбег, фаска, недовод, недорез (см.
рисунок ниже): 1 #3 2 #1 3 #4 4 #2 Изображение фигуры, полученное при мысленном рассечении предмета одной или несколькими плоскостями, называется … разрезанием местным видом сечением главным видом На рисунке изображён Шар и гиперболоид Шар и конус Шар и наклонный цилиндр Шар и тор Указанные стрелками (см. рисунок ниже) части шестигранной призмы называются боковые … рёбра грани снования линии сгиба Метчик — это инструмент, который используется для … нарезания конусной резьбы нарезания внутренней резьбы создания отверстий создания фасок Сопоставьте вид размера и его определение: A. Габаритные размеры B. Монтажные размеры C. Эксплуатационные размеры D. Прочие размеры E.
(длина, ширина, высота) указывают пространство, занимаемое изделием F. устанавливают взаимосвязь и взаимное расположение деталей в сборочной единице, например: расстояние между осями валов и т.п. G. характеризуют работу сборочной единицы. К ним относятся диаметры проходных отверстий вентилей и задвижек, максимальные углы поворота рукояток, расстояние между крайними положениями подвижных деталей, максимальный ход поршня и т.д. H. для инструментов, употребляемых при сборке (размеры «под ключ» для гаек и болтов, квадратов для посадки маховиков и т.п.) На рисунке (см. ниже) показаны … тор и усеченный конус цилиндр и гиперболоид два конуса конус и 1/4 шара Участок с неполноценным профилем резьбы, называется … резьбы шагом сбегом профилем длиной Шплинт нужен для … увеличения и предохранения опорной поверхности уплотнения соединения предотвращения самоотвинчивания надежного скрепления двух соединяемых деталей Узел, образованный соединительными деталями (заклепками, винтами и др.) и прилегающими частями соединяемых деталей (фланцами), форма которых подчинена задаче соединения – это … В данной детали (см.
рисунок ниже) … отверстия d10 2 3 4 Восстановите правильную последовательность вычерчивания эскиза (см. рисунки ниже): 1 2 3 4 Изображенный (см. рисунок ниже) лист называется … спецификацией чертежом титульным листом экспликацией Линия пересечения двух соосных цилиндров одинакового диаметра образует … прямые линии окружность две параболы два эллипса Масштабом увеличения является … 2:1 1:100 1:3 1:1 Метрическая резьба правильно изображена на чертеже (см. рисунок ниже) под номером … 1 2 3 4 Горизонтальная плоскость уровня параллельна … горизонтальной плоскости проекций фронтальной плоскости проекций профильной плоскости проекций двум плоскостям сразу На изображении (см.
ниже) у осей прямоугольной изометрии … градусов Если требуется выяснить конструкцию в отдельном, ограниченном месте детали, применяют … разрез местный дополнительный фрагментарный частичный На поверхности конуса лежат (см. рисунок ниже) … точки А, В точки B, С точки C, А все точки На поверхности цилиндра лежит точка (см. рисунок ниже) … А B C Высота прописных (заглавных) букв у чертежного шрифта №10 равна … мм На чертеже (см. ниже) изображено соединение … штифтом шлицевое шплинтом муфтой Наносить размерные линии предпочтительно … изображения вне контура внутри контура на самом контуре Наружная резьба выполнена верно на чертеже под номером (см. рисунок ниже) … 1 2 3 4 Натуральную величину отреза АВ (см.
рисунок ниже) определяет плоскость … П2 П1 П3 Неверно, что точка (см. рисунок ниже) … принадлежит хотя бы одной из плоскостей проекций 1 2 3 4 Неверно, что фигура под номером … является поверхностью вращения (см. рисунок ниже) 1 2 3 4 Неразъемные соединения деталей … можно собрать и разобрать без повреждения деталей входящих в соединение нельзя разобрать без повреждения деталей входящих в соединения нельзя собрать без поломки деталей входящих в соединение нельзя разобрать без специального инструмента Определите верную последовательность выполнения эскиза детали: 1 определяется форма детали и ее основных элементов, на которые можно мысленно расчленить деталь 2 выбирается главный вид детали и устанавливается необходимое и достаточное количество изображений: видов, разрезов, сечений 3 устанавливается формат листа для эскиза по ГОСТУ (Межгосударственный стандарт) 2.301 — 68, с учетом «требований к характеристике детали на эскизе» 4 производится компоновка изображений на поле эскиза, определяются границы изображений, проводятся осевые и центровые линии Ось ОХ — это пересечение плоскостей … П1 и П3 П2 и П3 П1 и П4 П1 и П2 Параметр, который характеризует соединение изделий и определяется величиной получающихся при соединении зазоров или натягов, — это … Поверхность, образованную при винтовом движении плоского контура по цилиндрической или конической поверхности, называют … конусом элипсоидой сферой резьбой Позиционное обозначение элемента на схеме наносят … рядом с элементом справа от элемента над графическим изображением элемента справа или над условным графическим изображением элемента При выполнении технического проекта ставится литера… Т А Б У При выполнении учебного проекта ставится литера … Т А Б У Проставьте изображения (см.
ниже) в следующем порядке: скрещивающиеся прямые, прямая не лежит в плоскости, прямая пересекает плоскость, прямая параллельная плоскости: 1 2 3 4 Проставьте название фигур и их изображение (см. ниже) в следующем порядке: цилиндрическая поверхность, призматическая поверхность, торовая поверхность: 1 2 3 Проставьте последовательно определения в следующем порядке: прямая пересекает конус, прямая пересекает шар, прямая не пересекает конус, прямая не пересекает шар: 1 2 3 4 Проставьте последовательность определения с изображением в следующем порядке: схема, эскиз, условное обозначение, чертеж (см. рисунок ниже): 1 2 3 4 Проставьте правильное соотношение название видов и их изображения (см.
ниже): A. Вид сверху B. Вид снизу C. Вид спереди D. Вид слева E. Вид справа F. Вид сзади G. H. I. J. K. L. Проставьте правильную последовательность (слева-направо) наименований граф в таблице перечней элементов (см. рисунок ниже): 1 позиция обозначения 2 наименование 3 количество 4 примечание Процесс выполнения чертежей деталей по сборочному чертежу – это … конструирование деталирование разборка сборка Прямая, параллельная профильной плоскости проекций, называется … прямой общего положения горизонтальной прямой уровня фронтальной прямой уровня профильной прямой уровня Прямая, параллельная фронтальной плоскости проекций, называется … прямой общего положения горизонтальной прямой уровня фронтальной прямой уровня профильной прямой уровня Радиус основания конуса на рисунке (см.
ниже) равен … Сопоставьте изображения (см. ниже) и их определения: A. Соединение муфтой B. Соединение угольником C. Соединение крестом D. Соединение тройником E. F. G. H. Расположение аксонометрических осей, изображенных на рисунке (см. ниже), называется … прямоугольная изометрия прямоугольная диметрия косоугольная горизонтальная изометрия Расположение аксонометрических осей, изображенных на рисунке (см. ниже), называется … прямоугольная изометрия прямоугольная диметрия косоугольная горизонтальная изометрия Расположите масштабы в порядке увеличения: 1 1:15 2 1:1 3 2:1 4 15:1 Сопоставьте размеры с оформлением листа А3: A. 297х420мм B. 5мм C. 20мм D. 185х55мм E.
размер листа F. поля справа, снизу, сверху G. поле слева H. основная надпись Расположите фигуры в следующем порядке: конус, шар, тор, цилиндр (см. рисунки ниже): 1 2 3 4 Расположите части болтового соединения в следующей последовательности: болт, гайка, шайба, отверстие (см. рисунки ниже): 1 2 3 4 Расставьте точки на поверхности конуса в следующем порядке: точка лежит на основании конуса, точка лежит на вершине конуса, точка принадлежит очерковой конуса, точка лежит на поверхности конуса (см. рисунок ниже): 1 точка 3 2 точка 1 3 точка 2 4 точка 4 Сопоставьте понятия и их определения: A. Шайба B. Винт C. Болт D. Гайка E. может подкладываться под гайку или головку другого крепёжного изделия, под шплинт и т.п.
для создания большей площади опорной поверхности, предотвращения самоотвинчивания крепёжной детали F. имеет вид стержня с наружной резьбой на одном конце и конструктивным элементом для передачи крутящего момента на другом G. крепёжное изделие в форме стержня с наружной резьбой на одном конце, с головкой на другом H. крепёжное изделие с резьбовым отверстием, образующее разборное соединение с помощью винта, болта или шпильки Резьба, изображенная на рис....
Список вопросов















A. Вид сверху
B. Вид снизу
C. Вид спереди
D. Вид слева
E. Вид справа
F. Вид сзади































Характеристики ответов (шпаргалок) к экзамену

