Проставьте изображения (см. ниже) в следующем порядке: скрещивающиеся прямые, прямая не лежит в плоскости, прямая пересекает плоскость, прямая параллельная плоскости:
Проставьте правильное соотношение название видов и их изображения (см. ниже): A. Вид сверху B. Вид снизу C. Вид спереди D. Вид слева E. Вид справа F. Вид сзади
Расставьте точки на поверхности конуса в следующем порядке: точка лежит на основании конуса, точка лежит на вершине конуса, точка принадлежит очерковой конуса, точка лежит на поверхности конуса (см. рисунок ниже):
На сборочных чертежах видимые составные части изделия и их элементы, расположенные за сеткой, а также частично закрытые расположенными впереди составными частями …
Укажите правильный порядок заполнение полей в основной надписи чертежа: разработал, проверил, наименование предприятия, масштаб чертежа (см. рисунок ниже):
Проставьте последовательно определения в следующем порядке: прямая пересекает конус, прямая пересекает шар, прямая не пересекает конус, прямая не пересекает шар:
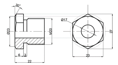
Расставьте размеры в следующей последовательности: количество сквозных отверстий, диаметр сквозного отверстия, высота детали, ширина детали (см. рисунок ниже):
E. два и более изделия, несоединенных на предприятии-изготовителе сборочными операциями и представляющих набор изделий, имеющих общее эксплуатационное назначение вспомогательного характера
F. называется изделие, составные части которого подлежат соединению между собой на предприятии-изготовителе сборочными операциями
G. документ, содержащий изображения изделия и другие данные, необходимые для его сборки (изготовления) и контроля
H. два и более специфицированных изделия, не соединенных на предприятии-изготовителе сборочными операциям, но предназначенных для выполнения взаимосвязанных эксплуатационных функций
Проставьте название фигур и их изображение (см. ниже) в следующем порядке: цилиндрическая поверхность, призматическая поверхность, торовая поверхность:
E. может подкладываться под гайку или головку другого крепёжного изделия, под шплинт и т.п. для создания большей площади опорной поверхности, предотвращения самоотвинчивания крепёжной детали
F. имеет вид стержня с наружной резьбой на одном конце и конструктивным элементом для передачи крутящего момента на другом
G. крепёжное изделие в форме стержня с наружной резьбой на одном конце, с головкой на другом
H. крепёжное изделие с резьбовым отверстием, образующее разборное соединение с помощью винта, болта или шпильки
Узел, образованный соединительными деталями (заклепками, винтами и др.) и прилегающими частями соединяемых деталей (фланцами), форма которых подчинена задаче соединения – это …
E. (длина, ширина, высота) указывают пространство, занимаемое изделием
F. устанавливают взаимосвязь и взаимное расположение деталей в сборочной единице, например: расстояние между осями валов и т.п.
G. характеризуют работу сборочной единицы. К ним относятся диаметры проходных отверстий вентилей и задвижек, максимальные углы поворота рукояток, расстояние между крайними положениями подвижных деталей, максимальный ход поршня и т.д.
H. для инструментов, употребляемых при сборке (размеры «под ключ» для гаек и болтов, квадратов для посадки маховиков и т.п.)
Почему делать на заказ в разы дороже, чем купить готовую учебную работу на СтудИзбе? Наши учебные работы продаются каждый год, тогда как большинство заказов выполняются с нуля. Найдите подходящий учебный материал на СтудИзбе!
Да! У нас любой человек может выложить любую учебную работу и зарабатывать на её продажах! Но каждый учебный материал публикуется только после тщательной проверки администрацией.
Вернём деньги! А если быть более точными, то автору даётся немного времени на исправление, а если не исправит или выйдет время, то вернём деньги в полном объёме!
Да! На равне с готовыми студенческими работами у нас продаются услуги. Цены на услуги видны сразу, то есть Вам нужно только указать параметры и сразу можно оплачивать.
Отзывы студентов
Ставлю 10/10 Все нравится, очень удобный сайт, помогает в учебе. Кроме этого, можно заработать самому, выставляя готовые учебные материалы на продажу здесь. Рейтинги и отзывы на преподавателей очень помогают сориентироваться в начале нового семестра. Спасибо за такую функцию. Ставлю максимальную оценку.
Лучшая платформа для успешной сдачи сессии Познакомился со СтудИзбой благодаря своему другу, очень нравится интерфейс, количество доступных файлов, цена, в общем, все прекрасно. Даже сам продаю какие-то свои работы.
Студизба ван лав ❤ Очень офигенный сайт для студентов. Много полезных учебных материалов. Пользуюсь студизбой с октября 2021 года. Серьёзных нареканий нет. Хотелось бы, что бы ввели подписочную модель и сделали материалы дешевле 300 рублей в рамках подписки бесплатными.
Отличный сайт Лично меня всё устраивает - и покупка, и продажа; и цены, и возможность предпросмотра куска файла, и обилие бесплатных файлов (в подборках по авторам, читай, ВУЗам и факультетам). Есть определённые баги, но всё решаемо, да и администраторы реагируют в течение суток.
Маленький отзыв о большом помощнике! Студизба спасает в те моменты, когда сроки горят, а работ накопилось достаточно. Довольно удобный сайт с простой навигацией и огромным количеством материалов.
Студ. Изба как крупнейший сборник работ для студентов Тут дофига бывает всего полезного. Печально, что бывают предметы по которым даже одного бесплатного решения нет, но это скорее вопрос к студентам. В остальном всё здорово.
Спасательный островок Если уже не успеваешь разобраться или застрял на каком-то задание поможет тебе быстро и недорого решить твою проблему.
Всё и так отлично Всё очень удобно. Особенно круто, что есть система бонусов и можно выводить остатки денег. Очень много качественных бесплатных файлов.
Отзыв о системе "Студизба" Отличная платформа для распространения работ, востребованных студентами. Хорошо налаженная и качественная работа сайта, огромная база заданий и аудитория.
Отличный помощник Отличный сайт с кучей полезных файлов, позволяющий найти много методичек / учебников / отзывов о вузах и преподователях.
Отлично помогает студентам в любой момент для решения трудных и незамедлительных задач Хотелось бы больше конкретной информации о преподавателях. А так в принципе хороший сайт, всегда им пользуюсь и ни разу не было желания прекратить. Хороший сайт для помощи студентам, удобный и приятный интерфейс. Из недостатков можно выделить только отсутствия небольшого количества файлов.
Спасибо за шикарный сайт Великолепный сайт на котором студент за не большие деньги может найти помощь с дз, проектами курсовыми, лабораторными, а также узнать отзывы на преподавателей и бесплатно скачать пособия.