Для студентов по предмету Гидропривод кузнечно-штамповочных машин (ГКШМ) (МТ-6)Объемный гидропривод лесопогрузчикаОбъемный гидропривод лесопогрузчика
4,9951114
2023-09-072025-06-21СтудИзба
Курсовая работа: Объемный гидропривод лесопогрузчика
Описание
Содержание
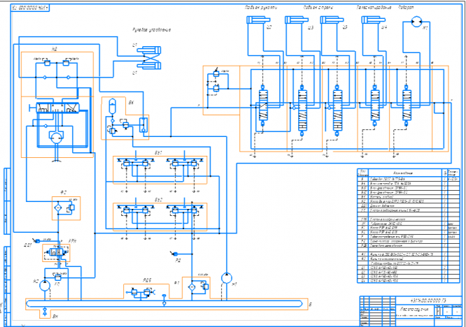
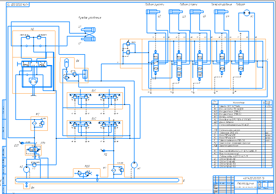
1 Выбор гидродвигателей по заданным нагрузкам.. 5
1.1 Выбор номинального давления. 5
1.2 Расчет и выбор гидроцилиндров. 5
1.3 Расчет и выбор гидромоторов. 8
2.Определение расхода жидкости, потребляемой гидродвигателями, подбор гидронасоса. 11
2.1 Определение расхода жидкости, потребляемой гидродвигателями. 11
4 Расчет потерь давления в гидросистеме. 16
4.1 Расчет диаметров трубопроводов. 16
4.3. Подбор гидроаппаратов и определение потерь давления в них. 24
4.4 Расчет потерь давления в магистралях гидросистемы. 24
5.Проверочный расчет гидросистемы.. 30
5.1 Проверочный расчет гидроцилиндров. 30
5.2 Проверочный расчет гидромоторов. 32
6. Расчет мощности и КПД гидропривода. 34
7. Тепловой расчет гидропривода. 37


Характеристики курсовой работы
Программы
Просмотров
2
Качество
Идеальное компьютерное
Размер
1,86 Mb
Список файлов
1677031904_gidroprivod_lesopogruzchika!!!!!
ГИДРОПРИВОД_ЛЕСОПОГРУЗЧИКА _КАМАЗ.doc
ЛЕСОПОГРУЗЧИК_ КаМАЗ-43.114.00.00.000 Г3.cdw
ЛЕСОПОГРУЗЧИК_ КаМАЗ-43.114.00.00.000 Г3.cdw.bak

Спасибо за покупку! Я буду очень рад, если поставишь справедливую оценку купленному файлу