Для студентов по предмету Гидропривод кузнечно-штамповочных машин (ГКШМ) (МТ-6)Гидравлическая система дорожного каткаГидравлическая система дорожного катка
4,9951114
2023-09-072025-06-21СтудИзба
Курсовая работа: Гидравлическая система дорожного катка
Описание
СОДЕРЖАНИЕ
ВВЕДЕНИЕ…………………………………………………………………….….3
1. ОПИСАНИЕ ДОРОЖНОГО КАТКА…………................................................4
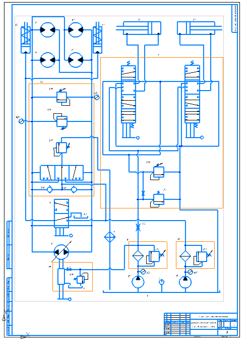
2.ОПИСАНИЕ ПРИНЦИПИАЛЬНОЙ ГИДРАВЛИЧЕСКОЙ СХЕМЫ ….….5
3. РАСЧЕТ ОБЪЕМНОГО ГИДРОПРИВОДА…………………………….……7
3.1. Определение мощности гидропривода и насоса……………… ……….7
3.2. Выбор насоса……………………………………………………………….7
3.3. Определение внутреннего диаметра гидролиний, скоростей движения
жидкости…………………………………………………………………. 8
3.4. Выбор гидроаппаратуры, кондиционеров рабочей жидкости…. …….10
3.5. Расчет потерь давления в гидролиниях…………………………………12
3.6. Расчет гидромоторов…………………………………………. ………... 14
ЗАКЛЮЧЕНИЕ…………………………………………………………..…….. 18
СПИСОК ЛИТЕРАТУРЫ……………………………………………………… 19



Характеристики курсовой работы
Программы
Просмотров
1
Размер
437,61 Kb
Список файлов
1680629292_rabota!!!!!
Poyasnitelnaya_zapiska_1.doc
Вид общий каток.cdw
Вид общий каток.cdw.bak
Перечень составных частей.frw
Принципиальная гидравлическая схема дорожного катка.cdw
Спецификация.cdw
Спецификация.cdw.bak

Спасибо за покупку! Я буду очень рад, если поставишь справедливую оценку купленному файлу