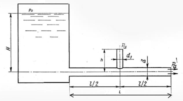
Для студентов ГУМРФ по предмету ГидромеханикаОпределить расход воды в трубопроводе по показаниям пьезометра h=1 м и уровню воды в резервуарах Н=2 м (рис. 8.4), если диаметр сечения трубы d=40 мм;Определить расход воды в трубопроводе по показаниям пьезометра h=1 м и уровню воды в резервуарах Н=2 м (рис. 8.4), если диаметр сечения трубы d=40 мм;
5,0051
2024-03-032024-03-03СтудИзба
Определить расход воды в трубопроводе по показаниям пьезометра h=1 м и уровню воды в резервуарах Н=2 м (рис. 8.4), если диаметр сечения трубы d=40 мм; длина трубы L=12 м, коэффициент входного сопротивления ξвх=1,2; шероховатость трубы – 0,04 мм. Кине
Описание
Определить расход воды в трубопроводе по показаниям пьезометра h=1 м и уровню воды в резервуарах Н=2 м (рис. 8.4), если диаметр сечения трубы d=40 мм; длина трубы L=12 м, коэффициент входного сопротивления ξвх=1,2; шероховатость трубы – 0,04 мм. Кинематический коэффициент вязкости воды v=0,8 сСт.
Файлы условия, демо
Характеристики решённой задачи
Предмет
Учебное заведение
Номер задания
Вариант
Программы
Теги
Просмотров
9
Качество
Идеальное компьютерное
Размер
210,77 Kb
Список файлов
8.9.docx
