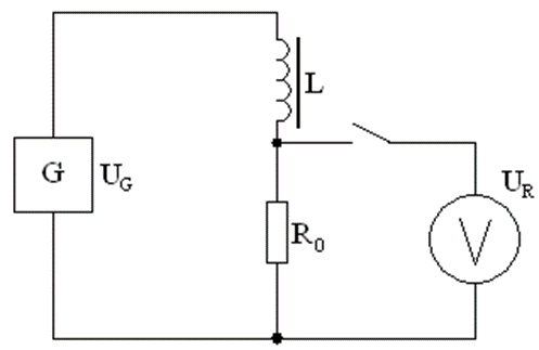
При испытании магнитного сердечника на частоте f с помощью установки, схема которой приведена на рис. 1, были получены значения напряжений на генераторе UG и сопротивлении UR. Вычислить магнитную проницаемость, индукцию и напряженность магнитного поля в к
Описание
При испытании магнитного сердечника на частотеfс помощью установки,схема которой представлена на рис.1, были получены значенияUgи Ur. Вычислить магнитную проницаемость, индукцию и напряженностьмагнитного поля в кольцевом сердечнике размерамиRxrxh, если число витков измерительной обмотки n, а сопротивление резистора, ограничивающего ток в измерительном контуре, R0.
Таблица численных значений
№ вар. | f,кГц | Ug, мВ | Ur, мВ | Rxrxh, мм | n | R0, Ом |
17 | 0,9 | 290 | 29 | 27x17x7 | 32 | 10 |
Показать/скрыть дополнительное описаниеПри испытании магнитного сердечника на частоте f с помощью установки, схема которой приведена на рис. 1, были получены значения напряжений на генераторе UG и сопротивлении UR . Вычислить магнитную проницаемость, индукцию и напряженность магнитного поля в кольцевом сердечнике размерами R × r × h , если число витков измерительной обмотки n =50, а сопротивление резистора, ограничивающего ток в измерительном контуре R0. Исходные данные для расчета приведены в табл. 3..
KetiRem






















