Задача 3: Колебания вариант 20
Описание
Зачтено на максимальный балл
Вариант 20 - ДЗ №3 - Колебания
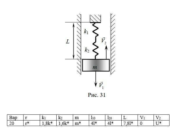
Каждая колебательная система (КС), представленная на рис. 28, 29, 30, 31, состоит из шайбы массой m и двух упругих пружин, имеющих жесткости k1 и k2 . Движение КС происходит в окружающей среде с малыми вязкими свойствами (малым коэффициентом сопротивления r). На рис. 28, 30 шайба колеблется под действием пружин, соединенных параллельно, а на рис. 29, 31 колебания происходят под действием пружин, соединенных последовательно. Массой пружин можно пренебречь. На рис. 28, 29 КС имеет горизонтальное расположение, а на рис. 30, 31 вертикальное расположение в поле силы тяжести. Длины 1-ой и 2-ой пружин в недеформированных состояниях равны l10 и l20. На рис.28, 30 L - длина каждой пружины в деформированном состоянии при t=0. На рис.29, 31 L - общая длина двух пружин в деформированном состоянии при t=0. Возможные векторы начальной скорости шайбы равны V1, V2. Шайбу, находящуюся в положении равновесия, смещают до расстояния L, а затем импульсом придают ей в начальный момент времени t=0 скорость V1 или V2 , в соответствии с заданием (см. таблицы №10 - 13). В результате КС приходит в колебательное движение.
Вар | r | k1 | k2 | m | l10 | l20 | L | V1 | V2 |
20 | r* | 1,8k* | 1,6k* | m* | 4l* | 4l* | 7,8l* | 0 | U* |





Файлы условия, демо
Характеристики решённой задачи
Список файлов
