Лабораторная работа: Исследование линейных трёхфазных электрических цепей переменного (синусоидального) тока
Описание
1 Цели работы
Лабораторная работа № 3 имеет следующие цели.
1 Закрепление изученного учебного материала по теме «Трёхфазные линейные цепи переменного тока».
2 Приобретение практических навыков исследования трёхфазных линейных электрических цепей переменного (синусоидального) тока с трёхфазным потребителем, фазы которого подключены звездой (треугольником) с помощью моделирования в среде Matlab.
3 Закрепление практических навыков построения векторных диаграмм при помощи пакета КОМПАС 3D.
2 Программа работы
2.1 Исследование трёхфазной электрической цепи синусоидального тока с трёхфазным потребителем, фазы которого соединены звездой, с нейтральным проводом
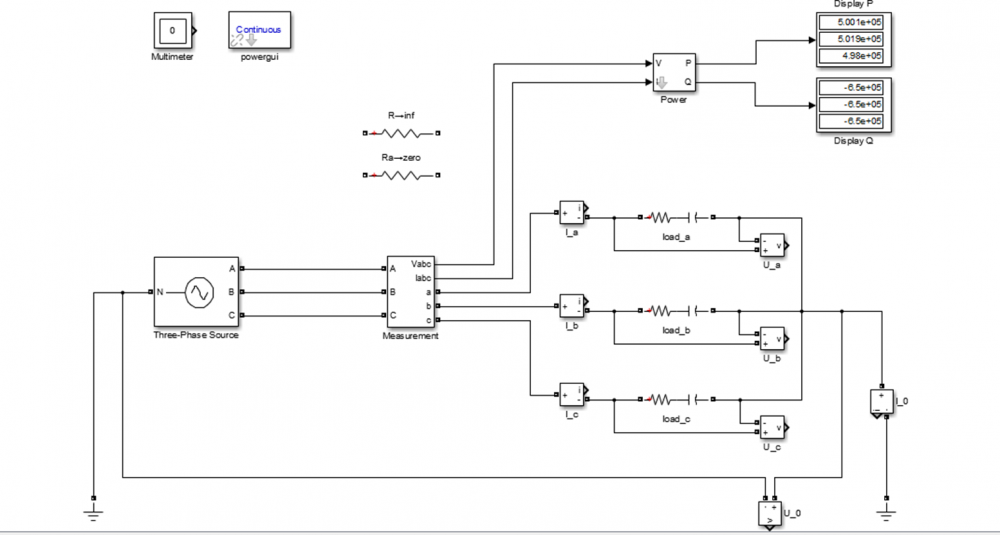
2.1.1 Смоделировать трёхфазную электрическую цепь с трёхфазным потребителем, фазы которого соединены звездой, с нейтральным проводом в среде Simulink (программа Matlab) (приложение А, рисунок 1).
В качестве источника использовать трёхфазный источник переменного напряжения – Three-Phase Source библиотеки Fundamental Blocks/Electrical Sources.
В качестве нагрузок на фазах потребителя использовать блоки Series RLC Load библиотеки Fundamental Blocks/Elements.
Добавить на наборное поле модели измерительные блоки Multimeter и Powergui.
Добавить на наборное поле блок Three-Phase V-I Measurement библиотеки Fundamental Blocks/Measurements для снятия фазных напряжений и токов.
Для измерения значений токов и напряжений на фазах потребителя, тока на нейтральном проводе и напряжения смещения добавить на наборное поле блоки Current Measurement и Voltage Measurement.
Для вычисления электрической мощности трехфазного источника использовать блок Power библиотеки Control and Measurements/Measurements.
Для вывода результатов вычисления мощности использовать блоки Display библиотеки Sinks.
В качестве заземления использовать блок Ground библиотеки Fundamental Blocks/Elements.
Обмотки фаз трёхфазного источника переменного напряжения Three-Phase Source соединены звездой. Сопротивлениями фаз обмоток источника в ходе лабораторной работы – пренебрегаем.
2.1.2 Исследовать полученную трёхфазную электрическую цепь, рассматривая различные режимы её работы.
2.1.2.1 При равномерной нагрузке исследовать цепь:
– в нормальном режиме;
– в аварийном режиме при обрыве линейного провода «A-a»;
– в аварийном режиме при коротком замыкании фазы «a» потребителя.
Принять мощность фаз потребителя:
Если по заданию , то реактивная мощность принимает индуктивный характер; если по заданию , то реактивная мощность принимает ёмкостный характер.
2.1.2.2 При неравномерной нагрузке исследовать цепь:
– в нормальном режиме;
– в аварийном режиме при обрыве линейного провода «A-a»;
– в аварийном режиме при коротком замыкании фазы «a» потребителя.
Принять мощность фаз потребителя:
, ,
, ,
Если по заданию , то реактивная мощность принимает индуктивный характер; если по заданию , то реактивная мощность принимает ёмкостный характер.
Для каждого исследуемого режима работы трёхфазной электрической цепи:
– получить её параметры с помощью инструмента Steady-State блока Powergui, заполнить соответствующие режимам таблицы (приложение В);
– построить векторные диаграммы для каждого рассмотренного режима работы трёхфазной электрической цепи, используя параметры, полученные экспериментальным способом;
– получить её параметры расчётным способом, применяя известные соотношения.
Заполненные таблицы, расчёты и векторные диаграммы вставить в отчёт о лабораторной работе.
2.1.3 Проанализировать выявленные закономерности, сделать и записать промежуточный вывод.
2.2 Исследование трёхфазной электрической цепи синусоидального тока с трёхфазным потребителем, фазы которого соединены звездой, без нейтрального провода
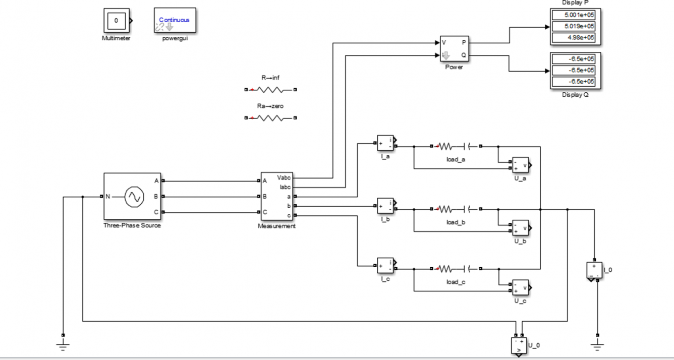
2.2.1 Смоделировать трёхфазную электрическую цепь с трёхфазным потребителем, фазы которого соединены звездой, без нейтрального провода в среде Simulink (программа Matlab) (приложение А, рисунок 2).
В качестве источника использовать трёхфазный источник переменного напряжения – Three-Phase Source библиотеки Fundamental Blocks/Electrical Sources.
В качестве нагрузок на фазах потребителя использовать блоки Series RLC Load библиотеки Fundamental Blocks/Elements.
Добавить на наборное поле модели измерительные блоки Multimeter и Powergui.
Добавить на наборное поле блок Three-Phase V-I Measurement библиотеки Fundamental Blocks/Measurements для снятия фазных напряжений и токов.
Для измерения значений токов и напряжений на фазах потребителя, тока на нейтральном проводе и напряжения смещения добавить на наборное поле блоки Current Measurement и Voltage Measurement.
Для вычисления электрической мощности трехфазного источника использовать блок Power библиотеки Control and Measurements/Measurements.
Для вывода результатов вычисления мощности использовать блоки Display библиотеки Sinks.
В качестве заземления использовать блок Ground библиотеки Fundamental Blocks/Elements.
Обмотки фаз трёхфазного источника переменного напряжения Three-Phase Source соединены звездой. Сопротивлениями фаз обмоток источника в ходе лабораторной работы – пренебрегаем.
2.2.2 Исследовать полученную трёхфазную электрическую цепь, рассматривая различные режимы её работы.
2.2.2.1 При равномерной нагрузке исследовать цепь:
– в нормальном режиме;
– в аварийном режиме при обрыве линейного провода «A-a»;
– в аварийном режиме при коротком замыкании фазы «a» потребителя.
Принять мощность фаз потребителя:
Если по заданию , то реактивная мощность принимает индуктивный характер; если по заданию , то реактивная мощность принимает ёмкостный характер.
2.2.2.2 При неравномерной нагрузке исследовать цепь:
– в нормальном режиме;
– в аварийном режиме при обрыве линейного провода «A-a»;
– в аварийном режиме при коротком замыкании фазы «a» потребителя.
Принять мощность фаз потребителя:
, ,
, ,
Если по заданию , то реактивная мощность принимает индуктивный характер; если по заданию , то реактивная мощность принимает ёмкостный характер.
Для каждого рассматриваемого режима работы трёхфазной электрической цепи:
– получить её параметры с помощью инструмента Steady-State блока Powergui, заполнить соответствующие режимам таблицы (приложение В);
– построить векторные диаграммы для каждого рассмотренного режима работы трёхфазной электрической цепи, используя параметры, полученные экспериментальным способом;
– получить её параметры расчётным способом, применяя известные соотношения.
Заполненные таблицы, расчёты и векторные диаграммы вставить в отчёт о лабораторной работе.
2.2.3 Проанализировать выявленные закономерности, сделать и записать промежуточный вывод.
2.3 Исследование трёхфазной электрической цепи синусоидального тока с трёхфазным потребителем, фазы которого соединены треугольником.
2.3.1 Смоделировать трёхфазную электрическую цепь с трёхфазным потребителем, фазы которого соединены треугольником в среде Simulink (программа Matlab) (приложение А, рисунок 3).
В качестве источника использовать трёхфазный источник переменного напряжения – Three-Phase Source библиотеки Fundamental Blocks/Electrical Sources.
В качестве нагрузок на фазах потребителя использовать блоки Series RLC Load библиотеки Fundamental Blocks/Elements.
Добавить на наборное поле модели измерительные блоки Multimeter и Powergui.
Добавить на наборное поле блок Three-Phase V-I Measurement библиотеки для снятия фазных напряжений и токов.
Для измерения значений токов и напряжений на фазах потребителя, тока на нейтральном проводе и напряжения смещения добавить на наборное поле блоки Current Measurement и Voltage Measurement.
Для вычисления электрической мощности трехфазного источника использовать блок Power библиотеки Control and Measurements/Measurements.
Для вывода результатов вычисления мощности использовать блоки Display библиотеки Sinks.
В качестве заземления использовать блок Ground библиотеки Fundamental Blocks/Elements.
Обмотки фаз трёхфазного источника переменного напряжения Three-Phase Source соединены звездой. Сопротивлениями фаз обмоток источника в ходе лабораторной работы – пренебрегаем.
2.3.2 Исследовать полученную трёхфазную электрическую цепь, рассматривая различные режимы её работы.
2.3.2.1 При равномерной нагрузке исследовать цепь:
– в нормальном режиме;
– в аварийном режиме при обрыве линейного провода «A-a»;
– в аварийном режиме при обрыве фазы «a» потребителя;
– в аварийном режиме при обрыве фаз «a» и «b» потребителя.
Принять мощность фаз потребителя:
Если по заданию , то реактивная мощность принимает индуктивный характер; если по заданию , то реактивная мощность принимает ёмкостный характер.
2.3.2.2 При неравномерной нагрузке исследовать цепь:
– в нормальном режиме;
– в аварийном режиме при обрыве линейного провода «A-a»;
– в аварийном режиме при обрыве фазы «a» потребителя;
– в аварийном режиме при обрыве фаз «a» и «b» потребителя.
Принять мощность фаз потребителя:
, ,
, ,
Если по заданию , то реактивная мощность принимает индуктивный характер; если по заданию , то реактивная мощность принимает ёмкостный характер.
Для каждого рассматриваемого режима работы трёхфазной электрической цепи:
– получить её параметры с помощью инструмента Steady-State блока Powergui, заполнить соответствующие режимам таблицы (приложение В);
– построить векторные диаграммы для каждого рассмотренного режима работы трёхфазной электрической цепи, используя параметры, полученные экспериментальным способом;
– получить её параметры расчётным способом, применяя известные соотношения.
Заполненные таблицы, расчёты и векторные диаграммы вставить в отчёт о лабораторной работе.
2.3.3 Проанализировать выявленные закономерности, сделать и записать промежуточный вывод.
2.4 Формулирование и запись общих выводов по результатам выполненной работы
После выполнения лабораторной работы необходимо сформулировать и записать обобщенные выводы, которые можно сделать по результатам проведенных экспериментов и вычислений.
- Трёхфазная электрическая цепь синусоидального тока с трёхфазным потребителем, фазы которого соединены звездой, с нейтральным проводом
Таблица В.1 – Результаты измерений параметров трёхфазной электрической цепи с трёхфазным потребителем, фазы которого соединены звездой, с нейтральным проводом
Режим работы | ||||||||||
Равномерная | Нормальный режим | 0 | 380 | 380 | 380 | 0 | 4316 | 4316 | 4316 | |
Аварийный | Обрыв линейного провода «A-a » | 0 | 0 | 380 | 380 | 4316 | 0 | 4316 | 4316 | |
Короткое замыкание на фазе «a » | 0 | 380 | 380 | 380 | 4316 | 4316 | ||||
Неравномерная | Нормальный режим | 0 | 380 | 380 | 380 | 5953 | 4316 | 4302 | 5298 | |
Аварийный | Обрыв линейного провода «A-a » | 0 | 0 | 380 | 380 | 9441 | 0 | 4302 | 5298 | |
Короткое замыкание на фазе «a » | 0 | 380 | 380 | 380 | 4302 | 5298 | ||||
Таблица В.2 – Результаты измерений параметров трёхфазной электрической цепи с трёхфазным потребителем, фазы которого соединены звездой, с нейтральным проводом
Режим работы | |||||||||||||
Равномерная | Нормальный режим | 0 | 70 | -50 | -170 | 33,69 | 122,43 | 2,43 | -117,57 | -52,43 | -52,43 | 287,57 | |
Аварийный | Обрыв линейного провода «A-a » | 0 | 0 | -50 | -170 | -57,57 | 0 | 2,43 | -117,57 | 0 | -52,43 | 287,57 | |
Короткое замыкание на фазе «a » | 0 | 70 | -50 | -170 | 69,91 | 70 | 2,43 | -117,57 | 0 | -52,43 | 287,57 | ||
Неравномерная | Нормальный режим | 0 | 70 | -50 | -170 | -104,52 | 122,43 | -73,43 | -94,38 | -52,43 | 23,43 | 264,38 | |
Аварийный | Обрыв линейного провода «A-a » | 0 | 0 | -50 | -170 | -85 | 0 | -73,43 | -94,38 | 0 | 23,43 | 264,38 | |
Короткое замыкание на фазе «a » | 0 | 70 | -50 | -170 | 69,91 | 70 | -73,43 | -94,38 | 0 | 23,43 | 264,38 | ||
СПбПУ Петра Великого
all_at_700

















