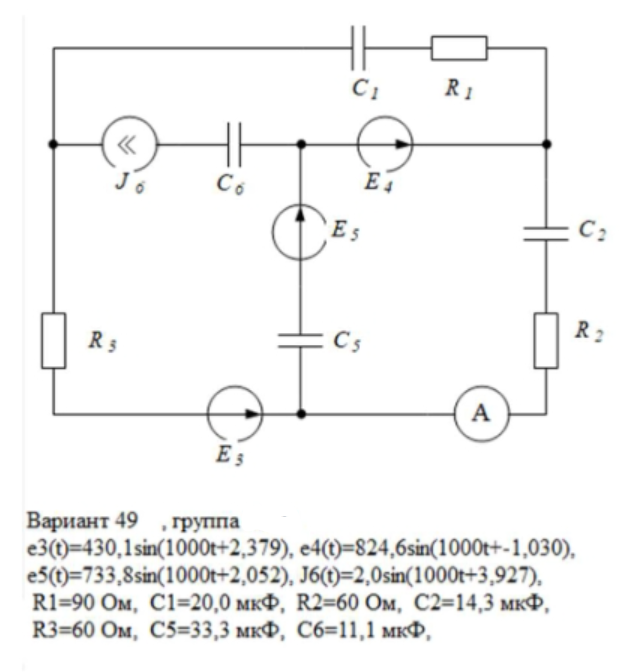
ДЗ 1: Расчёт линейных электрических цепей синусоидального тока вариант 49
Новинка
Описание
Решено методом контурных токов, зачтено на отлично
Составлены уравнения, найдены значения токов, проверка схемой в мулитисим, графики токов и временные синусоиды токов
Характеристики домашнего задания
Предмет
Учебное заведение
Семестр
Номер задания
Вариант
Просмотров
0
Размер
457,92 Kb
Список файлов
Электротехникa ДЗ.docx
Комментарии
Нет комментариев
Стань первым, кто что-нибудь напишет!
МГТУ им. Н.Э.Баумана
ia_tamara
















