Для студентов АмГУ по предмету Электротехника (ЭлТех)Инвертирующий усилительИнвертирующий усилитель
5,0053332
2025-04-102025-04-10СтудИзба
Задача: Инвертирующий усилитель
Описание
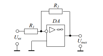
Чему равно выходное напряжение инвертирующего усилителя, если R1 = 500 Ом, R2 = 5000 Ом, U вх = 0,2 B?
![]()

Характеристики решённой задачи
Предмет
Учебное заведение
Просмотров
2
Качество
Идеальное компьютерное
Размер
289,07 Kb
Список файлов
Практическое занятие №2..pdf

Если нужен другой вариант работы или отдельная задача из любой работы, пишите в комментарии