Для студентов РГППУ по предмету Электротехника (ЭлТех)Расчет линейных электрических цепей однофазного синусоидального токаРасчет линейных электрических цепей однофазного синусоидального тока
5,0053210
2022-09-262022-09-26СтудИзба
Задача: Расчет линейных электрических цепей однофазного синусоидального тока вариант 12
Описание
Задача 2. Расчет линейных электрических цепей однофазного синусоидального тока
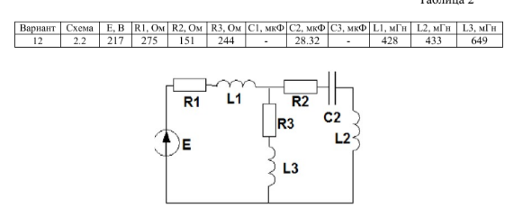
На рисунке 2 представлена сложная электрическая цепь однофазного синусоидального тока. Частота питающей сети 50 Гц. Параметры цепи указаны в таблице 2. Определить токи, напряжения, мощности на всех участках цепи. Построить в масштабе векторные диаграммы токов и напряжений. Правильность решения проверить, составив уравнения баланса активной, реактивной, полной мощностей.
![]()
На рисунке 2 представлена сложная электрическая цепь однофазного синусоидального тока. Частота питающей сети 50 Гц. Параметры цепи указаны в таблице 2. Определить токи, напряжения, мощности на всех участках цепи. Построить в масштабе векторные диаграммы токов и напряжений. Правильность решения проверить, составив уравнения баланса активной, реактивной, полной мощностей.

Характеристики решённой задачи
Предмет
Учебное заведение
Вариант
Просмотров
8
Качество
Идеальное компьютерное
Размер
85,07 Kb
Список файлов
2_zadacha_11305030_11317340.xlsx
Danilov_Zadacha_2_11303703 (1).docx

Если нужен другой вариант работы или отдельная задача из любой работы, пишите в комментарии