Для студентов по предмету Электротехника (ЭлТех)В сеть переменного тока частотой 50 Гц включены параллельно два резистора с активным сопротивлением r1 и r2. Напряжение сети u=Um∙sin(ωt+φ). ОпределитВ сеть переменного тока частотой 50 Гц включены параллельно два резистора с активным сопротивлением r1 и r2. Напряжение сети u=Um∙sin(ωt+φ). Определит
5,0055
2021-12-212021-12-21СтудИзба
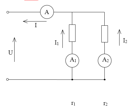
В сеть переменного тока частотой 50 Гц включены параллельно два резистора с активным сопротивлением r1 и r2. Напряжение сети u=Um∙sin(ωt+φ). Определить показания измерительных приборов, включенных в сеть, написать выражения мгновенного значения тока
Описание
В сеть переменного тока частотой 50 Гц включены параллельно два резистора с активным сопротивлением r1 и r2. Напряжение сети u=Um∙sin(ωt+φ). Определить показания измерительных приборов, включенных в сеть, написать выражения мгновенного значения тока в неразветвленной части цепи.
Дано:
U = Um∙sin(ωt+φ)
Um = 360 В
r1 = 40 Ом
r2 = 50 Ом
φ = 90°
f = 50 Гц
Найти:
I1, I2, I, i= f(t)
Характеристики решённой задачи
Предмет
Программы
Просмотров
35
Качество
Идеальное компьютерное
Размер
37,9 Kb
Список файлов
Задача1.docx
