Для студентов МГТУ им. Н.Э.Баумана по предмету Электротехника (ЭлТех)Цепи постоянного токаЦепи постоянного тока
5,0052
2021-04-072021-04-07СтудИзба
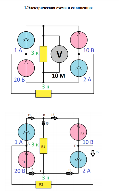
Лабораторная работа 1: Цепи постоянного тока вариант 13
Описание


Характеристики лабораторной работы
Предмет
Учебное заведение
Номер задания
Вариант
Просмотров
96
Размер
621,25 Kb
Список файлов
Лабораторная работа №1 (вариант 13).pdf

Друзья, спасибо за доверие! Если вам понравилась работа – поставьте 5⭐ и напишите отзыв. Это поможет другим студентам, а мне даст силы делать ещё больше качественных материалов для вас 🔥