Для студентов ТГАСУ по предмету Электротехника (ЭлТех)Расчет однофазных цепей переменного токаРасчет однофазных цепей переменного тока
5,0053334
2025-01-052025-01-05СтудИзба
ДЗ: Расчет однофазных цепей переменного тока
Описание
Задание:
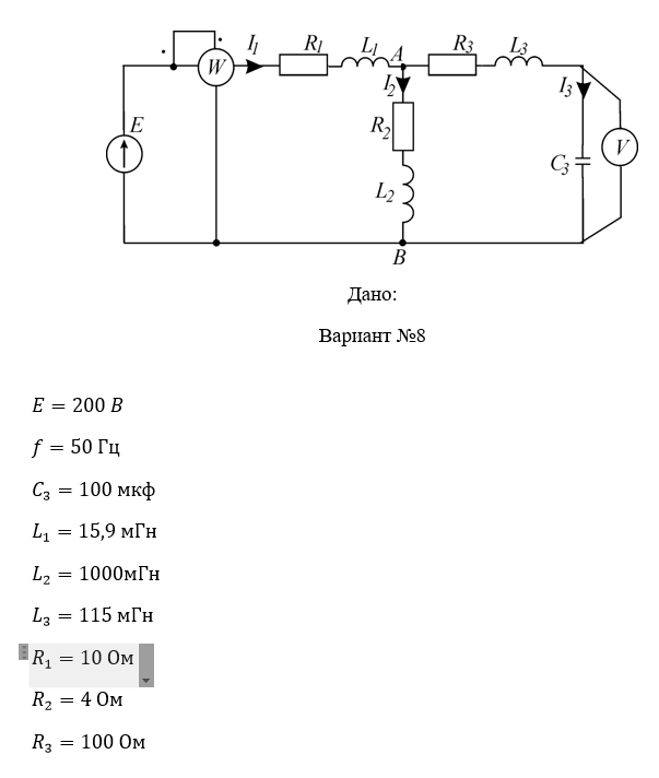
Для электрической цепи переменного тока, изображенной на схеме:
![]()
Для электрической цепи переменного тока, изображенной на схеме:
- Определить токи во всех ветвях цепи и напряжения на отдельных участках.
- Составить баланс активной и реактивной мощностей.
- Определить показания вольтметра и активную мощность, показываемую ваттметром.
- Построить в масштабе на комплексной плоскости векторную диаграмму токов и потенциальную диаграмму напряжений (топографическую диаграмму) для внешнего контура.

Характеристики домашнего задания
Предмет
Учебное заведение
Просмотров
3
Качество
Идеальное компьютерное
Размер
234,94 Kb
Список файлов
primer_2.docx

Если нужен другой вариант работы или отдельная задача из любой работы, пишите в комментарии