ДЗ 1, 2: Вариант 3 - Методы анализа линейных разветвлённых электрических цепей при синусоидальных воздействиях вариант 3
Описание
УСЛОВИЕ
Рассчитать токи в заданной схеме методом контурных токов, методом узловых потенциалов и неизвестный ток в одной из ветвей методом эквивалентного источника. Построить векторные диаграммы для одного из узлов и напряжений для одного из контуров, содержащего источники ЭДС. Проверку правильности выполненного расчёта осуществить методом баланса мощностей. Определить показания приборов, измеряющих действующее значение.
В ответе указать значения токов в комплексной форме и во временной для тока, рассчитанного методом эквивалентного источника, показания приборов.
Единицы измерения: [В], [А], [Ом], [мГн], [мкФ].
Узлы на схемах обозначить точками, индуктивность рисовать четырьмя витками в соответсвии ГОСТ.


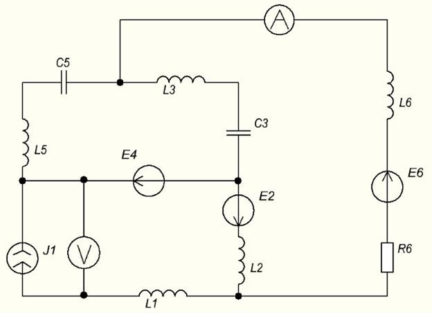
ДЕМО


Рассчитать токи в заданной схеме методом контурных токов, методом узловых потенциалов и неизвестный ток в одной ветви методом эквивалентного источника. Построить векторные диаграммы токов для одного из узлов и напряжений для одного из контуров, содержащего источники ЭДС. Проверку правильности выполнения расчета осуществить методом баланса мощностей. Определить показания приборов, измеряющих действительное значение. В ответе указать значения токов в комплексной форме и во временной для тока, рассчитанного методом эквивалентного источника, показания приборов...
Характеристики домашнего задания
Список файлов
