Для студентов МТУСИ по предмету Электротехника (ЭлТех)Контрольная работаКонтрольная работа
5,0053331
2022-11-092022-11-09СтудИзба
ДЗ: Контрольная работа вариант 23
Описание
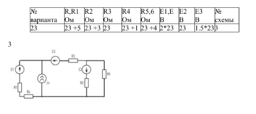
ЗАДАЧА 1.
Используя законы Кирхгофа определить токи во всех ветвях цепи. Проверить баланс мощностей.
ЗАДАЧА 2
1. Рассчитайте ток в цепи и напряжение на выходных зажимах, если на входе цепи действует гармонический. Проверьте баланс мощностей.
2. Для заданной цепи получите выражение для комплексной передаточной характеристики . Рассчитайте и постройте графики АЧХ и ФЧХ.
Используя полученную характеристику цепи, рассчитайте выходное напряжение. Проверьте соответствие полученного значения значению , полученному в пункте 1 задания.
![]()
Используя законы Кирхгофа определить токи во всех ветвях цепи. Проверить баланс мощностей.
ЗАДАЧА 2
1. Рассчитайте ток в цепи и напряжение на выходных зажимах, если на входе цепи действует гармонический. Проверьте баланс мощностей.
2. Для заданной цепи получите выражение для комплексной передаточной характеристики . Рассчитайте и постройте графики АЧХ и ФЧХ.
Используя полученную характеристику цепи, рассчитайте выходное напряжение. Проверьте соответствие полученного значения значению , полученному в пункте 1 задания.


Характеристики домашнего задания
Предмет
Учебное заведение
Вариант
Просмотров
6
Качество
Скан печатных листов
Размер
445,64 Kb
Список файлов
primer_2_11567148.docx

Если нужен другой вариант работы или отдельная задача из любой работы, пишите в комментарии