Для студентов МТУСИ по предмету Электротехника (ЭлТех)Расчетные работыРасчетные работы
5,0052
2022-08-202022-08-20СтудИзба
ДЗ: Расчетные работы
Описание
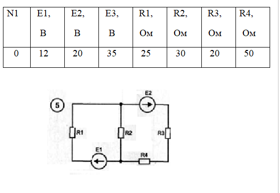
ЗАДАНИЕ 1.
На рисунках 3.1.(0 … 9) изображены электрические схемы. Номер схемы Вашего варианта определяется в соответствии со значением N0 (последней цифры номера студенческого билета), а параметры элементов определяются в соответствии со значением N1 (предпоследней цифры номера студенческого билета) по таблице 3.1.
Задание:
1. Изобразите электрическую схему, соответствующую Вашему варианту. Запишите значения параметров элементов схемы.
2. Задайте предполагаемые направления векторов токов в ветвях схемы. Запишите систему уравнений по первому и второму законам Кирхгофа. Рассчитайте токи. Рассчитайте баланс мощностей. Для расчёта следует использовать систему MathCad.
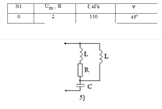
ЗАДАНИЕ 2.
Двухполюсник, представляющий собой смешанное соединение резистивных, индуктивных и ёмкостных элементов, подключён к источнику гармонического напряжения. На рисунке 3.2 приведена эквивалентная схема, на которой все величины представлены в комплексной форме. Развёрнутая схема двухполюсника приведена на рисунке 3.3, где номер схемы определяется последней цифрой номера студенческого билета N0.
Параметры источника гармонического напряжения определяются по таблице 3.2 в соответствии с предпоследней цифрой номера студенческого билета N1.
Параметры элементов двухполюсника для всех вариантов: R = 5 Ом, L = 50 мкГн, С = 100 нФ.
Запишите комплексные сопротивления , , и рассчитайте эквивалентное комплексное сопротивление
Рассчитайте комплексные значения токов во всех ветвях и напряжений на всех элементах цепи:
Постройте векторную диаграмму токов
Запишите выражения мгновенных значений токов i(t), i1(t), i2(t), i3(t) и напряжения на резисторе .
Постройте графики зависимости от времени i(t) и .
Рассчитайте баланс активных и реактивных мощностей источника энергии и её потребителя (двухполюсника).
![]()
На рисунках 3.1.(0 … 9) изображены электрические схемы. Номер схемы Вашего варианта определяется в соответствии со значением N0 (последней цифры номера студенческого билета), а параметры элементов определяются в соответствии со значением N1 (предпоследней цифры номера студенческого билета) по таблице 3.1.
Задание:
1. Изобразите электрическую схему, соответствующую Вашему варианту. Запишите значения параметров элементов схемы.
2. Задайте предполагаемые направления векторов токов в ветвях схемы. Запишите систему уравнений по первому и второму законам Кирхгофа. Рассчитайте токи. Рассчитайте баланс мощностей. Для расчёта следует использовать систему MathCad.

Двухполюсник, представляющий собой смешанное соединение резистивных, индуктивных и ёмкостных элементов, подключён к источнику гармонического напряжения. На рисунке 3.2 приведена эквивалентная схема, на которой все величины представлены в комплексной форме. Развёрнутая схема двухполюсника приведена на рисунке 3.3, где номер схемы определяется последней цифрой номера студенческого билета N0.
Параметры источника гармонического напряжения определяются по таблице 3.2 в соответствии с предпоследней цифрой номера студенческого билета N1.
Параметры элементов двухполюсника для всех вариантов: R = 5 Ом, L = 50 мкГн, С = 100 нФ.
Запишите комплексные сопротивления , , и рассчитайте эквивалентное комплексное сопротивление
Рассчитайте комплексные значения токов во всех ветвях и напряжений на всех элементах цепи:
Постройте векторную диаграмму токов
Запишите выражения мгновенных значений токов i(t), i1(t), i2(t), i3(t) и напряжения на резисторе .
Постройте графики зависимости от времени i(t) и .
Рассчитайте баланс активных и реактивных мощностей источника энергии и её потребителя (двухполюсника).

Файлы условия, демо
Характеристики домашнего задания
Предмет
Учебное заведение
Просмотров
41
Качество
Идеальное компьютерное
Размер
856,92 Kb
Список файлов
UBST2003_Gayvoronskiy_Ruslan_Zadanie_1.xmcd
UBST2003_Gayvoronskiy_Ruslan_Zadanie_2.xmcd

Если нужен другой вариант работы или отдельная задача из любой работы, пишите в комментарии