Вопросы/задания к тесту/контрольной: Методы анализа электрических цепей
Описание
Вариант № N9, N4
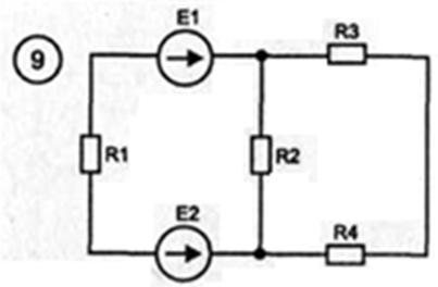
1. Изобразите электрическую схему, соответствующую Вашему варианту. Запишите значения параметров элементов схемы.
2. Задайте предполагаемые направления векторов токов в ветвях схемы. Запишите систему уравнений по первому и второму законам Кирхгофа. Рассчитайте токи. Рассчитайте баланс мощностей.
3. Для расчёта можно использовать систему MathCad.

Рис. 1. Схема цепи
Таблица 1. Параметры цепи
N1 | E1, B | E2, B | E3, B | R1, Ом | R2, Ом | R3, Ом | R4, Ом |
4 | 28 | 32 | 40 | 25 | 45 | 35 | 45 |
Решение
Характеристики вопросов/заданий к КР
Предмет
Учебное заведение
Просмотров
1
Размер
235,91 Kb
Список файлов
КР_задание_N1.docx
Комментарии
Нет комментариев
Стань первым, кто что-нибудь напишет!
МТУСИ
all_at_700















