Для студентов МГТУ им. Н.Э.Баумана по предмету Электротехника (ЭлТех)Электротехника ИУ6 Дз 2Электротехника ИУ6 Дз 2
5,0055
2022-02-072022-02-07СтудИзба
ДЗ 2: Электротехника ИУ6 Дз 2 вариант 28
Описание
Домашняя работа 2, электротехника ИУ6
Преподаватель - Скворцов
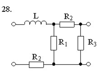
Схема
![]()
Преподаватель - Скворцов
Схема

Файлы условия, демо
Характеристики домашнего задания
Предмет
Учебное заведение
Семестр
Номер задания
Вариант
Просмотров
141
Качество
Скан рукописных листов
Размер
1017,08 Kb
Список файлов
Комментарии
Нет комментариев
Стань первым, кто что-нибудь напишет!
МГТУ им. Н.Э.Баумана

















