Для студентов МГТУ им. Н.Э.Баумана по предмету Электротехника (ЭлТех)Электротехника ИУ6 Дз 3Электротехника ИУ6 Дз 3
4,26591
2022-02-072022-02-07СтудИзба
ДЗ 3: Электротехника ИУ6 Дз 3 вариант 28
Описание
Домашнее задание 3, ИУ6
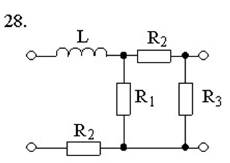
Вариант 28
Преподаватель - Скворцов
Схема
![]()
Вариант 28
Преподаватель - Скворцов
Схема

Файлы условия, демо
Характеристики домашнего задания
Предмет
Учебное заведение
Семестр
Номер задания
Вариант
Просмотров
164
Качество
Скан рукописных листов
Размер
1,44 Mb
Список файлов
Комментарии
Неактуальный мусор, Скворцов такое решение не примет.
МГТУ им. Н.Э.Баумана


















