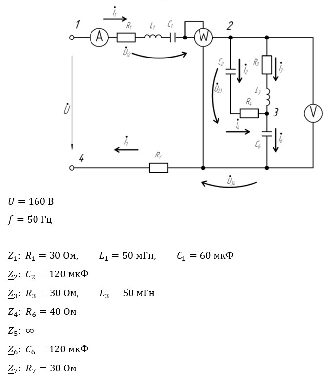
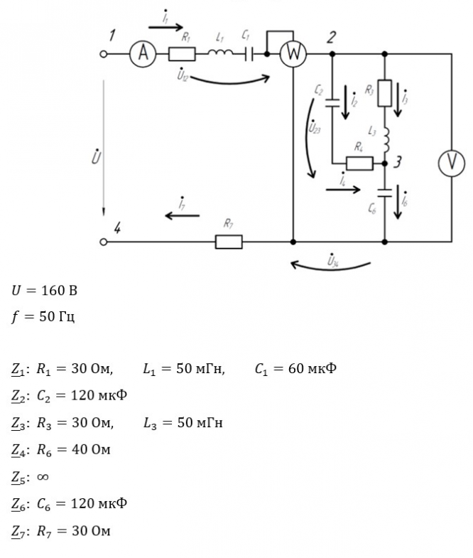
ДЗ 2: Дз№ 2 9 вариант вариант 9
Описание
Характеристики домашнего задания
Предмет
Учебное заведение
Семестр
Номер задания
Вариант
Просмотров
86
Качество
Идеальное компьютерное
Размер
514,11 Kb
Список файлов
Элтех ДЗ№2.docx
Комментарии
Нет комментариев
Стань первым, кто что-нибудь напишет!
МГТУ им. Н.Э.Баумана
ya sam sdelau svoi kosmos
















