ДЗ 1: Расчет линейных цепей синусоидального тока вариант 9
Описание
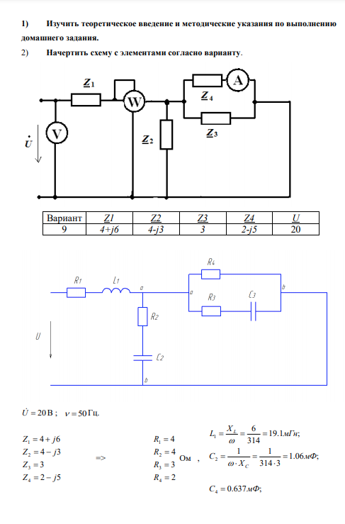
Вариант 9 - ДЗ №1 - Расчет линейных цепей синусоидального тока
⭐ Работа уже готова и проверена преподавателями
🏅 Сдана на максимальный балл – более 100 успешных сдач
📖 Полное соответствие методическим указаниям МГТУ им. Н.Э. Баумана
✅ Что вы получите:
🧾 Готовые расчёты и выводы
📑 Оформление по ГОСТ и требованиям кафедры
💻 Файл в удобном формате
🌟 Почему выбирают именно эту работу:
🔝 Более 100 проданных работ, рейтинг автора 5/5
🎯 Гарантия успешной сдачи – работа проверена и одобрена
⏳ Экономия времени – скачивай и сдавай без доработок
🔒 Конфиденциальность – ваши данные под защитой
🚀 Сделайте шаг к лёгкой сдаче:
👉 Нажмите «Купить» и скачайте готовый файл прямо сейчас
🔥 Не тратьте время на написание – решение уже ждёт вас!
Спасибо за покупку 🥰🥰 🥰


Характеристики домашнего задания
Список файлов
