Для студентов по предмету Электротехника (ЭлТех)Расчёт и анализ электрических цепейРасчёт и анализ электрических цепей
5,0054067
2025-12-23СтудИзба

Курсовая работа: Расчёт и анализ электрических цепей

Описание

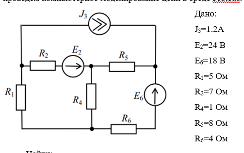
Найти:
1. Рассчитать значения всех неизвестных токов, используя:
- метод непосредственного применения законов Кирхгофа;
- метод контурных токов;
2. Рассчитать напряжения на всех резистивных элементах цепи;
2. Рассчитать напряжение источника тока;
3. Рассчитать баланс мощностей цепи;
4. Провести компьютерное моделирование цепи в среде Electronic Workbench, Multisim или Proteus.
Найти:
1. Найти мгновенные и действующие значения неизвестных токов в ветвях, применяя:
- метод непосредственного применения законов Кирхгофа;
- метод контурных токов.
2. Найти мгновенные и действующие значения ЭДС и напряжений на всех элементах.
3. Составить баланс мощностей.
4. Построить векторную диаграмму токов и напряжений.
5. Провести компьютерное моделирование цепи в среде Electronic Workbench, Multisim или Proteus.
Найти:
- произвести расчёт параметров и построить векторные диаграммы токов и напряжений трёхфазной электрической цепи в следующих режимах:
- нормальный четырёхпроводной режим с нейтральным проводом при соединении фаз приёмника звездой;
- обрыв нейтрального провода N при соединении фаз звездой;
- провести компьютерное моделирование цепи в среде Electronic Workbench, Multisim или Proteus.
Содержание
Список используемых обозначений. 3
Введение. 4
1. Анализ и расчет электрической цепи постоянного тока. 6
2. Анализ и расчет однофазной цепи переменного тока. 12
3. Расчет трехфазного приемника электрической энергии. 21
Заключение. 32
Список литературы. 34

Характеристики курсовой работы

Просмотров
1
Качество
Идеальное компьютерное
Размер
1,6 Mb

Список файлов

primer.docx
Картинка-подпись
Если нужен другой вариант работы или отдельная задача из любой работы, пишите в комментарии

Комментарии

Нет комментариев
Стань первым, кто что-нибудь напишет!
Поделитесь ссылкой:
Цена: 800 руб.
Расширенная гарантия +3 недели гарантии, +10% цены
Рейтинг автора
5 из 5
Поделитесь ссылкой:
Сопутствующие материалы
Задана электрическая цепь
Для цепи с линейным напряжением Uл=660 В симметричного источника, сопротивлением фаз приемника
Для электрической схемы
Найти ток в цепи i(t), пользуясь классическим методом расчета переходного процесса
Определить внутреннее сопротивление R0 и ЭДС Е источника питания (рис. 1.6), если при разомкнутых выключателях В1 и В2 ток, протекающий в цепи амперметра, I=I1=2 А, а при замкнутом выключателе В, и разомкнутом выключателе В2 ток I=I2=2,5 А. Сопротивл
В электрическую цепь постоянного тока (рис. 2.2, а) включено нелинейное сопротивление R5. Определить ток I5 в нелинейном сопротивлении и напряжение U12, действующие между точками 1 и 2 цепи. Вольт-амперная харктеристика нелинейного сопротивления R5 (

Подобрали для Вас услуги

Вы можете использовать курсовую работу для примера, а также можете ссылаться на неё в своей работе. Авторство принадлежит автору работы, поэтому запрещено копировать текст из этой работы для любой публикации, в том числе в свою курсовую работу в учебном заведении, без правильно оформленной ссылки. Читайте как правильно публиковать ссылки в своей работе.
Свежие статьи
Популярно сейчас
Почему делать на заказ в разы дороже, чем купить готовую учебную работу на СтудИзбе? Наши учебные работы продаются каждый год, тогда как большинство заказов выполняются с нуля. Найдите подходящий учебный материал на СтудИзбе!
Ответы на популярные вопросы
Да! Наши авторы собирают и выкладывают те работы, которые сдаются в Вашем учебном заведении ежегодно и уже проверены преподавателями.
Да! У нас любой человек может выложить любую учебную работу и зарабатывать на её продажах! Но каждый учебный материал публикуется только после тщательной проверки администрацией.
Вернём деньги! А если быть более точными, то автору даётся немного времени на исправление, а если не исправит или выйдет время, то вернём деньги в полном объёме!
Да! На равне с готовыми студенческими работами у нас продаются услуги. Цены на услуги видны сразу, то есть Вам нужно только указать параметры и сразу можно оплачивать.
Отзывы студентов
Ставлю 10/10
Все нравится, очень удобный сайт, помогает в учебе. Кроме этого, можно заработать самому, выставляя готовые учебные материалы на продажу здесь. Рейтинги и отзывы на преподавателей очень помогают сориентироваться в начале нового семестра. Спасибо за такую функцию. Ставлю максимальную оценку.
Лучшая платформа для успешной сдачи сессии
Познакомился со СтудИзбой благодаря своему другу, очень нравится интерфейс, количество доступных файлов, цена, в общем, все прекрасно. Даже сам продаю какие-то свои работы.
Студизба ван лав ❤
Очень офигенный сайт для студентов. Много полезных учебных материалов. Пользуюсь студизбой с октября 2021 года. Серьёзных нареканий нет. Хотелось бы, что бы ввели подписочную модель и сделали материалы дешевле 300 рублей в рамках подписки бесплатными.
Отличный сайт
Лично меня всё устраивает - и покупка, и продажа; и цены, и возможность предпросмотра куска файла, и обилие бесплатных файлов (в подборках по авторам, читай, ВУЗам и факультетам). Есть определённые баги, но всё решаемо, да и администраторы реагируют в течение суток.
Маленький отзыв о большом помощнике!
Студизба спасает в те моменты, когда сроки горят, а работ накопилось достаточно. Довольно удобный сайт с простой навигацией и огромным количеством материалов.
Студ. Изба как крупнейший сборник работ для студентов
Тут дофига бывает всего полезного. Печально, что бывают предметы по которым даже одного бесплатного решения нет, но это скорее вопрос к студентам. В остальном всё здорово.
Спасательный островок
Если уже не успеваешь разобраться или застрял на каком-то задание поможет тебе быстро и недорого решить твою проблему.
Всё и так отлично
Всё очень удобно. Особенно круто, что есть система бонусов и можно выводить остатки денег. Очень много качественных бесплатных файлов.
Отзыв о системе "Студизба"
Отличная платформа для распространения работ, востребованных студентами. Хорошо налаженная и качественная работа сайта, огромная база заданий и аудитория.
Отличный помощник
Отличный сайт с кучей полезных файлов, позволяющий найти много методичек / учебников / отзывов о вузах и преподователях.
Отлично помогает студентам в любой момент для решения трудных и незамедлительных задач
Хотелось бы больше конкретной информации о преподавателях. А так в принципе хороший сайт, всегда им пользуюсь и ни разу не было желания прекратить. Хороший сайт для помощи студентам, удобный и приятный интерфейс. Из недостатков можно выделить только отсутствия небольшого количества файлов.
Спасибо за шикарный сайт
Великолепный сайт на котором студент за не большие деньги может найти помощь с дз, проектами курсовыми, лабораторными, а также узнать отзывы на преподавателей и бесплатно скачать пособия.
Популярные преподаватели
Добавляйте материалы
и зарабатывайте!
Продажи идут автоматически
7006
Авторов
на СтудИзбе
261
Средний доход
с одного платного файла
Обучение Подробнее
{user_main_secret_data}