Для студентов по предмету Электротехника (ЭлТех)Для электрической цепи постоянного тока, определить токи I1-I7 в ветвях резисторов R1-R7, составить баланс мощностей, а также определить режим работы Для электрической цепи постоянного тока, определить токи I1-I7 в ветвях резисторов R1-R7, составить баланс мощностей, а также определить режим работы
5,00517955
2024-09-162024-09-16СтудИзба
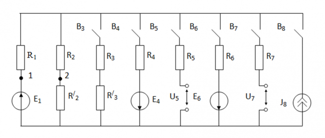
Для электрической цепи постоянного тока, определить токи I1-I7 в ветвях резисторов R1-R7, составить баланс мощностей, а также определить режим работы источников питания и напряжения U12 между точками 1 и 2 цепи. Дано: E1 = 220 В; U7 = 30 В; R1 =
Описание
Для электрической цепи постоянного тока, определить токи I1-I7 в ветвях резисторов R1-R7, составить баланс мощностей, а также определить режим работы источников питания и напряжения U12 между точками 1 и 2 цепи.
Дано:
E1 = 220 В;
U7 = 30 В;
R1 = 1 Ом;
R2 = 3 Ом;
R’2 = 2 Ом;
R7 = 5 Ом;
Разомкнуть: B3, B4, B5, B6.
Рисунок 1 – Расчетная цепь постоянного тока
Характеристики решённой задачи
Предмет
Программы
Просмотров
20
Качество
Идеальное компьютерное
Размер
78,93 Kb
Список файлов
Задача.docx
