Для студентов МТУСИ по предмету Электротехника (ЭлТех)расчёт токов во всех ветвях цепирасчёт токов во всех ветвях цепи
5,0053287
2024-05-052024-05-05СтудИзба
Курсовая работа: расчёт токов во всех ветвях цепи вариант 6
Описание
1 часть
Цель работы – расчёт токов во всех ветвях цепи, а также расчёт её баланса мощностей. Объектом исследования данной работы является электрическая схема, представленная ниже:
Целью работы является расчет данной электрической схемы (вычисление всех напряжений ветвей и всех токов в ветвях) с использованием различных методов.
При выполнении данной курсовой работы использовался метод анализа электрических цепей с использованием программного обеспечения: MathСad2015.
Методы, проводимые в этой работе:
1.Расчёт токов в ветвях методом уравнений Кирхгофа;
2.Расчёт токов в ветвях методом контурных токов;
3.Расчёт токов в ветвях методом узловых потенциалов;
4.Расчёт токов в ветвях методом наложения;
5.Расчёт тока в сопротивлении R1 методом эквивалентного генератора ЭДС;
6.Расчёт тока в сопротивлении R1 методом эквивалентного генератора тока;
7.Расчёт баланса мощностей исходной схемы и его проверка с помощью ЭВМ.
Исходные данные:
I=0.3 A U=2 В
E1=6 В R1=15 Ом R4=15 Ом
Е2=3 В R2=10 Ом R5=10 Ом
Е3=4 В R3=12 Ом
R3=R4=500 Ом f=600 Гц
L=25∙10-3 Гн C=2,5∙10-6 Ф
Um=5 В τ = 2.5 мс
T = 30 мс
Нагрузка:
Rn=50 Oм Cn=5∙10-6 Ф
Сигнал :110100, U=20 В
![]()
Цель работы – расчёт токов во всех ветвях цепи, а также расчёт её баланса мощностей. Объектом исследования данной работы является электрическая схема, представленная ниже:

Целью работы является расчет данной электрической схемы (вычисление всех напряжений ветвей и всех токов в ветвях) с использованием различных методов.
При выполнении данной курсовой работы использовался метод анализа электрических цепей с использованием программного обеспечения: MathСad2015.
Методы, проводимые в этой работе:
1.Расчёт токов в ветвях методом уравнений Кирхгофа;
2.Расчёт токов в ветвях методом контурных токов;
3.Расчёт токов в ветвях методом узловых потенциалов;
4.Расчёт токов в ветвях методом наложения;
5.Расчёт тока в сопротивлении R1 методом эквивалентного генератора ЭДС;
6.Расчёт тока в сопротивлении R1 методом эквивалентного генератора тока;
7.Расчёт баланса мощностей исходной схемы и его проверка с помощью ЭВМ.
Исходные данные:
I=0.3 A U=2 В
E1=6 В R1=15 Ом R4=15 Ом
Е2=3 В R2=10 Ом R5=10 Ом
Е3=4 В R3=12 Ом
(2 часть)
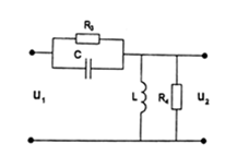
Задание- Рассчитайте токи в цепи и напряжение на зажимах подключенной нагрузки, если на входе цепи действует гармонический сигнал u(t) = Um*cos(wt), где Um = 10 В, а частота сигнала задается преподавателем. Проверьте баланс мощностей.
- Рассчитайте величину максимальной активной мощности сигнала, которую может отдавать заданная цепь в режиме гармонических колебаний в резистивное сопротивление R, подключенное в качестве нагрузки.
- Для заданной цепи получите выражение H(jw) = U2(jw)/U1(jw). Рассчитайте и постройте графики соответствующих АЧХ и ФЧХ. Используя полученную характеристику цепи, рассчитайте выходное напряжение при подключенной заданной нагрузке.
- Выпишите фрагмент передаваемого сообщения и изобразите в масштабе фрагмент сигнала, если «1» соответствует +U, а «0» - (-U).
- Найдите выражение для спектральной плотности фрагмента сигнала и постройте график модуля этой спектральной плотности.
- Рассчитайте спектральную плотность сигнала на выходе схемы и постройте график модуля этой спектральной плотности.
- Найдите выражение для спектра сигнала, образованного периодическим продолжением (с периодом T) фрагмента вашего сигнала и постройте спектр амплитуд.
- Рассчитайте выражение для спектра сигнала на выходе схемы и постройте спектр амплитуд.
- Найдите выражения для переходной и импульсной характеристик схемы и постройте графики полученных характеристик
- На вход заданной цепи подается фрагмент вашего сигнала. Найдите выражение для сигнала на выходе цепи. Постройте временные диаграммы сигналов на входе и выходе цепи.
- Запишите выражение для сигнала на выходе цепи при периодическом сигнале на ее входе.
- Сделайте обоснованные выводы о возможности использования заданной цепи для передачи ваших сигналов, если отсчет значения символа сообщения проводится по уровню ±0.9*Uв конце каждого символа сигнала.
R3=R4=500 Ом f=600 Гц
L=25∙10-3 Гн C=2,5∙10-6 Ф
Um=5 В τ = 2.5 мс
T = 30 мс
Нагрузка:
Rn=50 Oм Cn=5∙10-6 Ф
Сигнал :110100, U=20 В

Характеристики курсовой работы
Предмет
Учебное заведение
Вариант
Просмотров
4
Качество
Идеальное компьютерное
Размер
1,07 Mb
Список файлов
KURS.docx

Если нужен другой вариант работы или отдельная задача из любой работы, пишите в комментарии