Для студентов ИДДО НИУ «МЭИ» по предмету Электротехника (ЭлТех)Переходные процессы в линейных цепяхПереходные процессы в линейных цепях
5,0054
2023-01-132023-01-13СтудИзба
Ответы к контрольной работе 10: Переходные процессы в линейных цепях
Описание
Переходные процессы в линейных цепях
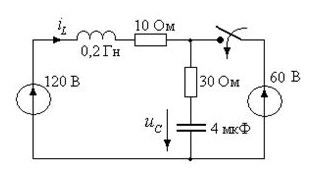
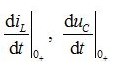
- 1. Определить значения
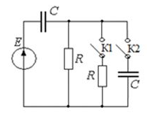
- 2. Каким из рубильников необходимо осуществить коммутацию, чтобы выражение переходного тока в ветви с источником содержало одну постоянную интегрирования?
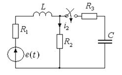
- 3. Определить τ постоянную времени переходного тока i2(t)
- 4. Определить значение тока i2(О+), если e(t)=141sin(314t+45°) В, R1=2 Ом, R2=4 Ом, R3=2 Ом, C=300 мкФ, L=19,1 мГн
- 5. Указать кривую переходного тока i2(t) после коммутации
Характеристики ответов (шпаргалок) к КР
Предмет
Учебное заведение
Семестр
Номер задания
Программы
Теги
Просмотров
63
Качество
Идеальное компьютерное
Размер
525,22 Kb
Список файлов
Переходные процессы в линейных цепях.pdf

Вам все понравилось? Получите кэшбэк - 40 рублей на Ваш счёт при покупке. Поставьте оценку и напишите положительный комментарий к купленному файлу. После Вы получите деньги на ваш счет.