Для студентов ИДДО НИУ «МЭИ» по предмету Электротехника (ЭлТех)Линейные цепи постоянного тока. Метод эквивалентного генератораЛинейные цепи постоянного тока. Метод эквивалентного генератора
5,0057
2023-01-122023-01-12СтудИзба
Ответы к контрольной работе 2: Линейные цепи постоянного тока. Метод эквивалентного генератора
Описание
Линейные цепи постоянного тока. Метод эквивалентного генератора
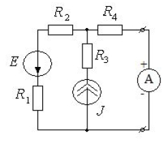
- 1. Дано: R1=5 Ом, R2=5 Ом, R3=10 Ом, R4=20 Ом, E=20 В, J=5 А. Определить показание амперметра, используя метод эквивалентного генератора.
- 2. Дано: R1=5 Ом, R2=20 Ом, R3=1 Ом, E1=25 В, E2=50 В. Определить ЭДС E, чтобы ток амперметра был равен нулю.
- 3. Дано: R1=5 Ом, E1=80 В, J=6 А. Внешняя (нагрузочная) характеристика заданного активного двухполюсника имеет вид:
- 4. Дано: R1=5 Ом, E1=30 В, J=4 А. Внешняя (нагрузочная) характеристика заданного активного двухполюсника имеет вид:
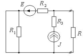
- 5. Дано: R1=5 Ом, R2=10 Ом, R3=10 Ом, R4=5 Ом, E=100 В, J=3 А. При каком значении сопротивления в резисторе R выделяется максимальная мощность? Определить значение pmax.
- 6. Дано: R1=6 Ом, R2=6 Ом, R3=4 Ом, E=18 В, J=2 А. При каком значении сопротивления в резисторе R выделяется максимальная мощность? Определить значение pmax.
- 7. К активному двухполюснику подключен магазин сопротивлений (пассивный двухполюсник, сопротивление которого может меняться). При двух разных значениях сопротивления измерены значения напряжения и тока. Определить параметры генератора (Rэ,Eэ) эквивалентного двухполюснику.
- 8. К активному двухполюснику подключен магазин сопротивлений (пассивный двухполюсник, сопротивление которого может меняться). При двух разных значениях сопротивления измерены значения тока. Определить параметры генератора (Rэ,Eэ) эквивалентного двухполюснику.
- 9. Дано: R1=3 Ом, R2=6 Ом, R3=8 Ом, E5=50 В, J=2 А. Определить сопротивление генератора, эквивалентного заданному активному двухполюснику.
- 10. Дано: R1=4 Ом, R2=4 Ом, R3=8 Ом, E1=100 В, Eб=40 В. Определить сопротивление генератора, эквивалентного заданному активному двухполюснику.
Характеристики ответов (шпаргалок) к КР
Предмет
Учебное заведение
Семестр
Номер задания
Программы
Теги
Просмотров
135
Качество
Идеальное компьютерное
Размер
928,5 Kb
Список файлов
Линейные цепи постоянного тока. Метод эквивалентного генератора.pdf

Вам все понравилось? Получите кэшбэк - 40 рублей на Ваш счёт при покупке. Поставьте оценку и напишите положительный комментарий к купленному файлу. После Вы получите деньги на ваш счет.