Для студентов ИДДО НИУ «МЭИ» по предмету Электротехника (ЭлТех)Мощность в цепи синусоидального тока. РезонансМощность в цепи синусоидального тока. Резонанс
5,0057
2023-01-122023-01-12СтудИзба
Ответы к контрольной работе 4: Мощность в цепи синусоидального тока. Резонанс
Описание
Мощность в цепи синусоидального тока. Резонанс
- 1. Найти U23 при резонансе.
- 2. При каком значении XC в цепи наступает резонанс?
- 3. На рисунке дана кривая (график) мгновенной мощности пассивного участка цепи синусоидального тока. Определить полную мощность S участка цепи.
- 4. На рисунке дана кривая (график) мгновенной мощности пассивного участка цепи синусоидального тока. Определить активную мощность P участка цепи.
- 5. Определить активную и реактивную мощность пассивного двухполюсника, если известны мгновенные значения напряжения и тока: u(t)=100sin(ωt+75°) В, i(t)=2sin(ωt+120°) А
- 6. Определить активную и реактивную мощность пассивного двухполюсника, если известны мгновенные значения напряжения и тока: u(t)=141sin(ωt-60°)В, i(t)=14,1sin(ωt+30°) А
- 7. Определить емкость неидеального конденсатора, если известны показания приборов: P=40 Вт, U=80 В, I=2 А. Частота источника f=50 Гц.
- 8. Определить индуктивность неидеальной катушки, если известны показания приборов: P=40 Вт, U=80 В, I=2 А. Частота источника f=50 Гц.
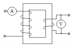
- 9. Две катушки (X1=12 Ом, X3=3 Ом) намотаны на общий сердечник (см. рисунок). Амперметр показывает 3,5 А. Что покажет вольтметр, если коэффициент связи можно считать равным единице?
- 10. Максимальное и минимальное значение эквивалентной индуктивности последовательно соединенных одинаковых катушек равны соответственно 12 мГн и 6 мГн. Определить взаимную индуктивность M.
Характеристики ответов (шпаргалок) к КР
Предмет
Учебное заведение
Семестр
Номер задания
Программы
Теги
Просмотров
72
Качество
Идеальное компьютерное
Размер
769,67 Kb
Список файлов
Мощность в цепи синусоидального тока. Резонанс.pdf

Вам все понравилось? Получите кэшбэк - 40 рублей на Ваш счёт при покупке. Поставьте оценку и напишите положительный комментарий к купленному файлу. После Вы получите деньги на ваш счет.