Для студентов ИДДО НИУ «МЭИ» по предмету Электротехника (ЭлТех)Линейные цепи постоянного тока. Метод эквивалентного генератораЛинейные цепи постоянного тока. Метод эквивалентного генератора
5,00515
2023-01-122023-01-12СтудИзба
Ответы к контрольной работе 2: Линейные цепи постоянного тока. Метод эквивалентного генератора
Описание
Линейные цепи постоянного тока. Метод эквивалентного генератора
- 1. Дано: R1=3 Ом, R2=4 Ом, E=12 В, J=2 А. Внешняя (нагрузочная) характеристика заданного активного двухполюсника имеет вид:
- 2. Дано: R1=16 Ом, E=96 В, J=4 А. Внешняя (нагрузочная) характеристика заданного активного двухполюсника имеет вид:
- 3. К активному двухполюснику подключен магазин сопротивлений (пассивный двухполюсник, сопротивление которого может меняться). При двух разных значениях сопротивления измерены значения тока. Определить параметры генератора (Rэ,Eэ) эквивалентного двухполюснику.
- 4. К активному двухполюснику подключен магазин сопротивлений (пассивный двухполюсник, сопротивление которого может меняться). При двух разных значениях сопротивления измерены значения напряжения и тока. Определить параметры генератора (Rэ,Eэ) эквивалентного двухполюснику.
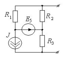
- 5. Дано: R1=3 Ом, R2=6 Ом, R3=8 Ом, E5=50 В, J=2 А. Определить сопротивление генератора, эквивалентного заданному активному двухполюснику.
- 6. Дано: R1=4 Ом, R2=4 Ом, R3=8 Ом, E1=100 В, Eб=40 В. Определить сопротивление генератора, эквивалентного заданному активному двухполюснику.
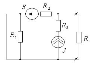
- 7. Дано: R1=6 Ом, R2=6 Ом, R3=4 Ом, E=18 В, J=2 А. При каком значении сопротивления в резисторе R выделяется максимальная мощность? Определить значение pmax.
- 8. Дано: R1=9 Ом, R2=10 Ом, R3=20 Ом, R4=6 Ом, E1=80 В, E4=100 В. При каком значении сопротивления в резисторе R выделяется максимальная мощность? Определить значение pmax.
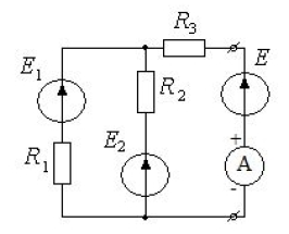
- 9. Дано: R1=4 Ом, R2=12 Ом, R3=1 Ом, E1=8 В, E2=40 В. Определить ЭДС E, чтобы ток амперметра был равен нулю.
- 10. Дано: R1=3 Ом, R2=6 Ом, R3=5 Ом, E1=15 В, E2=30 В. Определить ЭДС E, чтобы ток амперметра был равен нулю.
Характеристики ответов (шпаргалок) к КР
Предмет
Учебное заведение
Семестр
Номер задания
Программы
Теги
Просмотров
227
Качество
Идеальное компьютерное
Размер
1,34 Mb
Список файлов
Линейные цепи постоянного тока. Метод эквивалентного генератора.pdf

Вам все понравилось? Получите кэшбэк - 40 рублей на Ваш счёт при покупке. Поставьте оценку и напишите положительный комментарий к купленному файлу. После Вы получите деньги на ваш счет.