Вопросы/задания к контрольной работе: Схемы трёхфазных выпрямителей
Описание
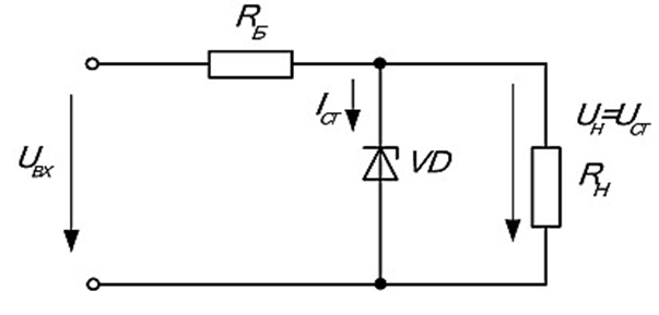
Задача 4
Дано: напряжение на нагрузке, сопротивление нагрузки и коридор изменения входного напряжения. Требуется определить в параметрическом стабилизаторе (рис. 4.1):
- 1. сопротивление резистора, Rб;
- 2. коэффициент стабилизации, КстU;
- 3. максимальный ток стабилитрона, Imax.

Рис. 4.1.
Исходные данные для расчёта представлены в таблице 4.1.
Таблица 4.1
Выбор исходных данных
Вариант | Расчет значений тока и напряжения |
Un, В | Две последние цифры шифра+1, при ИНС получим 28+1 = 29 В |
Rn, Ом | Две последние цифры шифра +1, умножить на 100,(28+1)*100=2900 Ом |
Uст мах, В | Две последние цифры шифра +1, умножить на 2, (28+1)*2=58 В |
Uст min, В | Предыдущее число (значение Uст мах, В) уменьшить на 10, 58-10=48 В |
Задача 3
Дано: напряжение в выпрямителе на вторичной обмотке трансформатора U2; частота сети f = 50 Гц; сопротивление диода в прямом направлении Rпр = 0.
Требуется:
1. определить:
- - средние значения выпрямленного напряжения и тока на нагрузочном резисторе, Rн;
- - среднее значение тока в диоде;
- - максимальное обратное напряжение на диоде;
2. выбрать тип диода;
3.представить схему выпрямителя.
Исходные данные
Вариант | Расчет значений тока и напряжения | |
U2, В | Последняя цифра шифра | +1, ИНС, |
умноженная на 10, (8+1)*10=90В | ||
Rn, Ом | Последняя цифра шифр | +1, ИНС, |
умноженная на 120, (8+1)*120=1080 | ||
Схема | Если последняя цифра шифра – простое число, то тип схемы – однополупериодная. Если последняя цифра кратна 3, то схема – двухполупериодная. Если последняя цифра кратна 4 – двухполупериодная нулевая. Если последняя цифра кратна 5 – двухполупериодная мостовая. Если последняя цифра 0, то тип схемы – однополупериодная. | |
Задача 2
Задан мостовой выпрямитель, изображенный на рисунке 2.1, для которого заданы:
- напряжение холостого хода Uхх;
- напряжение при максимальной нагрузке не менее Uн;
- максимальная мощность Pmax;
- предельно допустимый коэффициент пульсаций pдоп.
Емкость конденсаторов и индуктивность катушек ограничена Сmax=1000 мкФ, Lmax=1 Гн.
- Построить схему фильтра и найти параметры его элементов;
- Определить требования к трансформатору и катушкам фильтра;
- Построить внешнюю характеристику.
Рис. 2.1. Схема мостового выпрямителя
Исходные данные
Вариант | Расчет значений тока и напряжения |
Uхх, В | Две последние цифры шифра +1, умноженные на 10, при ИНС студента, получим (28+1)*10=290 В |
Uн, В | Две последние цифры шифра +1, умножить на 10 минус 7, (28+1)*10-7=283В |
Pmax, Вт | Две последние цифры шифра +1, умножить на 50,(28+1)*50=1450 Вт |
pдоп | Последнюю цифру шифра +1, делить на 10000, (8+1)/10000=0,0009 |
Задача 1
Изобразить схемы трёхфазных выпрямителей: с выводом нулевой точки и мостовую, работающие на активно-индуктивную нагрузку. Трансформаторы, дроссели, вентили считать идеальными, выпрямленный ток полностью сглаженный. Описать принцип работы трансформаторов.
Рассчитать схемы. При этом для каждой из них определить:
- 1) Амплитудные значения линейных напряжений, максимальные величины обратных напряжений в вентилях;
- 2) Средние значения токов через вентили;
- 3) Тип вентилей;
- 4) Расчётные мощности трансформаторов, для схемы с выводом нулевой точки Ртр = 1,35 Рa, для мостовой схемы Ртр = 1,05 Рa , где Pa = IaUa;
- 5) Индуктивность дросселя, Lдр, необходимую для полного сглаживания тока (считая, что оно достигается при ωпLдр ≥ 5Rн, где ωп – частота пульсации, Rн – сопротивление нагрузки).
6) Провести краткий сравнительный анализ рассчитанных схем.
Исходные данные
Вариант | Расчет значений тока и напряжения |
Uа, В | Две последние цифры шифра +1, умножить на 10, при ИНС студента, получим (28+1)*10=290В |
Ia, А | Последняя цифра шифра +1, умноженная на 3.8, (8+1)*3,8=34,2 |
Rн | Три последние цифры шифра +1, умножить на 1000,(728+1)*1000=729кОма |
all_at_700
















