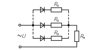
Для студентов по предмету ЭлектроникаРассчитать простейший выпрямитель на диодах Д210 (рис. 1), чтобы выпрямленный ток Iвыпр был равен 10 А.Рассчитать простейший выпрямитель на диодах Д210 (рис. 1), чтобы выпрямленный ток Iвыпр был равен 10 А.
5,0052
2022-06-182022-06-18СтудИзба
Задача: Рассчитать простейший выпрямитель на диодах Д210 (рис. 1), чтобы выпрямленный ток Iвыпр был равен 10 А.
Описание
Рассчитать простейший выпрямитель на диодах Д210 (рис. 1), чтобы выпрямленный ток Iвыпр был равен 10 А. ![]()

Характеристики решённой задачи
Предмет
Программы
Просмотров
15
Качество
Идеальное компьютерное
Размер
381,67 Kb
Список файлов
Задача.docx
