Для студентов МГТУ им. Н.Э.Баумана по предмету ЭлектроникаДомашнее задание №2 (2,3,1,4,0,5,7,6)Домашнее задание №2 (2,3,1,4,0,5,7,6)
5,0056
2021-04-152024-09-03СтудИзба
ДЗ 2: Домашнее задание №2 (2,3,1,4,0,5,7,6) вариант 1
-66%
Описание
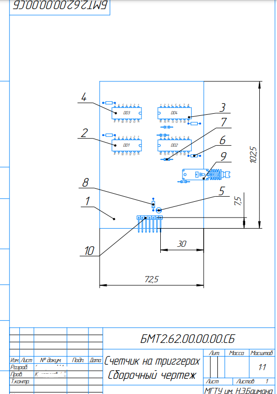
Проектирование последовательного устройства – счетчика с произвольным порядком счета. Разработка принципиальной схемы, перечня элементов для нее, сборочного чертежа и спецификации, а также электрической разводки платы счетчика.
Задание: Выполнить проектирование последовательного устройства – счетчика с произвольным порядком счета. Входной сигнал С – импульс перехода к очередному состоянию. Последовательность выходных сигналов следующая: Q3, Q2, Q1. Значения Q, кодированные в восьмеричной системе счисления, равны:
2,3,1,4,0,5,7,6 Исходное состояние равно 2. Для выполнения использовать JK-триггеры и микросхемы серии К155.
![]()
Задание: Выполнить проектирование последовательного устройства – счетчика с произвольным порядком счета. Входной сигнал С – импульс перехода к очередному состоянию. Последовательность выходных сигналов следующая: Q3, Q2, Q1. Значения Q, кодированные в восьмеричной системе счисления, равны:
2,3,1,4,0,5,7,6 Исходное состояние равно 2. Для выполнения использовать JK-триггеры и микросхемы серии К155.


Характеристики домашнего задания
Предмет
Учебное заведение
Номер задания
Вариант
Просмотров
171
Размер
828,1 Kb
Список файлов
Домашнее задание №2 (2,3,1,4,0,5,7,6)
Домашнее задание №2 (2,3,1,4,0,5,7,6).pdf
Перечень элементов.pdf
Принципиальная схема.pdf
Разводка платы.pdf
Сборочный черте.pdf
Спецификация.pdf

Друзья, спасибо за доверие! Если вам понравилась работа – поставьте 5⭐ и напишите отзыв. Это поможет другим студентам, а мне даст силы делать ещё больше качественных материалов для вас 🔥