Для студентов МГТУ им. Н.Э.Баумана по предмету ЭлектроникаДомашнее задание №2 (2,3,1,4,0,5,7,6)Домашнее задание №2 (2,3,1,4,0,5,7,6)
5,0053
2021-03-172024-09-03СтудИзба
ДЗ 2: Домашнее задание №2 (2,3,1,4,0,5,7,6) вариант 3
-66%
Описание
Домашнее задание №2 (2,3,1,4,0,5,7,6)
Зачтено на максимальный балл 💥 💥 💥
Спасибо за покупку 🥰🥰 🥰
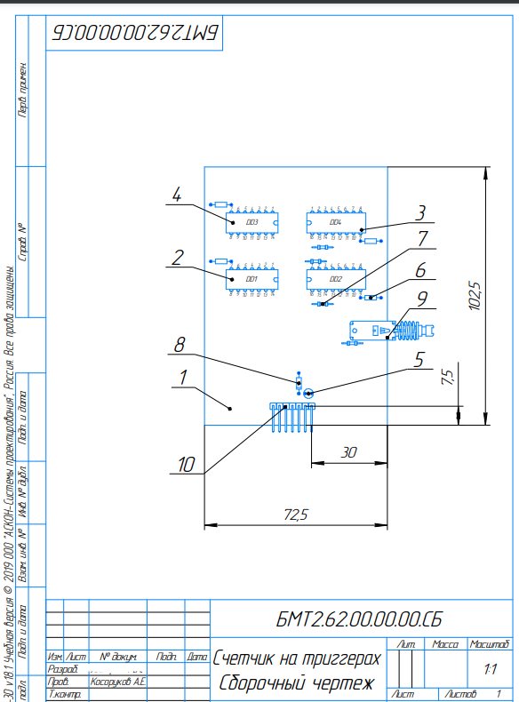
Проектирование последовательного устройства – счетчика с произвольным порядком счета. Разработка принципиальной схемы, перечня элементов для нее, сборочного чертежа и спецификации, а также электрической разводки платы счетчика.Задание: Выполнить проектирование последовательного устройства – счетчика с произвольным порядком счета. Входной сигнал С – импульс перехода к очередному состоянию. Последовательность выходных сигналов следующая: Q3, Q2, Q1. Значения Q, кодированные в восьмеричной системе счисления, равны: 2,3,1,4,0,5,7,6 Исходное состояние равно 2. Для выполнения использовать JK-триггеры и микросхемы серии К155.


Характеристики домашнего задания
Предмет
Учебное заведение
Номер задания
Вариант
Просмотров
159
Размер
1,58 Mb
Список файлов
Вариант 22
Capture.PNG
Отчет.pdf
Перечень элементов.pdf
Принципиальная схема.pdf
Разводка платы.pdf
Сборочный чертеж.pdf
Спецификация.pdf
залдание.PNG

Друзья, спасибо за доверие! Если вам понравилась работа – поставьте 5⭐ и напишите отзыв. Это поможет другим студентам, а мне даст силы делать ещё больше качественных материалов для вас 🔥