Для студентов МАДИ по предмету ЭлектробезопасностьТокТок
4,955284
2026-01-152026-01-15СтудИзба
Вопросы/задания к заданиям: Ток
Новинка
Описание
Практическое занятие 1

Практическое занятие 3.

Вариант 1.
Дано: Rз = 4 Ом, Rзм = 32 Ом, RL1 = RL2 = RL3 = R = 15 кОм; человек находится на расстоянии 10 м от заземлителя; Rh = 1 кОм; Rосн = 1 кОм; сеть короткая.
Вариант 1.
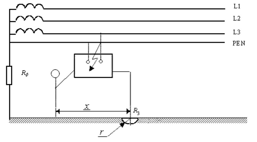
Дано: RL1= RL2= RL3= R = 15 кОм; сеть короткая; Rh=1 кОм; R0=4 Ом; RЗ=4 Ом. Заземлитель полушаровой с радиусом r = 0,4 м; человек стоит на земле на расстоянии х =2 м от заземлителя; R1= 9 кОм. Оценить опасность поражения человека током, используя первичные критерии электробезопасности.
Характеристики вопросов/заданий к заданиям
Предмет
Учебное заведение
Просмотров
1
Размер
320,75 Kb
Список файлов
Ток.docx
Комментарии
Нет комментариев
Стань первым, кто что-нибудь напишет!
МАДИ
all_at_700
















