Главная » Учебные материалы » Электрические станции и подстанции » Курсовые работы » Несколько классов/семестров » Проектирование электрической части узловой подстанции 500/220/35 кВ
Для студентов по предмету Электрические станции и подстанцииПроектирование электрической части узловой подстанции 500/220/35 кВПроектирование электрической части узловой подстанции 500/220/35 кВ
5,0054053
2026-01-27СтудИзба

Курсовая работа: Проектирование электрической части узловой подстанции 500/220/35 кВ

Новинка

Описание

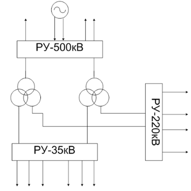
В курсовом проекте разрабатывается, как правило, электрическая часть узловой подстанции с тремя уровнями напряжений. Исходные данные на проектирование задаются в следующем порядке: U1 – высокое напряжение, на котором подстанция связана с энергосистемой (nС – количество линий связи с энергосистемой; nТР – количество транзитных линий на напряжении U1; U2 – среднее напряжение на подстанции; n2 – количество радиальных линий, питающих потребителей на напряжении U2; Р2 – мощность, передаваемая по одной цепи на напряжении U2; cosφ2 – коэффициент мощности потребителей на напряжении U2; U3, n3, Р3, cosφ3 – аналогичные показатели на низком напряжении U3; SC, xC – мощность и индуктивное сопротивление системы; lВЛ – длина линий связи подстанции с системой. Структурная схема подстанции приведена на рис. 1.1.
Таблица 1 – Исходные данные для проектирования
U₁, кВSсети, МВАXсети, о.е.Lвл, кмn₁ = nс + nтрU₂, кВn₂·P₂, МВтcos φ₂U₃, кВn₃·P₃, МВтcos φ₃
50029000,46502 + 62204·120 = 4800,85356·20 = 1200,86


Содержание
ВВЕДЕНИЕ 2
1. ОПРЕДЕЛЕНИЕ МОЩНОСТИ ПОДСТАНЦИИ И ВЫБОР СИЛОВЫХ ТРАНСФОРМАТОРОВ 4
1.1. Расчёт мощности нагрузки подстанции 4
1.2. Выбор типа, числа и мощности силовых автотрансформаторов 5
1.3. Определение нагрузочной способности автотрансформаторов 6
2. ВЫБОР ГЛАВНОЙ СХЕМЫ ЭЛЕКТРИЧЕСКИХ СОЕДИНЕНИЙ 9
2.1. Обоснование структурной схемы подстанции 9
2.2. Выбор схемы электрических соединений на стороне высшего напряжения (500 кВ) 10
2.3. Выбор схемы электрических соединений на стороне среднего напряжения (220 кВ) 11
2.4. Выбор схемы электрических соединений на стороне низшего напряжения (35 кВ) 11
2.5. Технико-экономический анализ вариантов главной схемы электрических соединений 12
3. РАСЧЁТ ТОКОВ КОРОТКОГО ЗАМЫКАНИЯ 15
3.1. Схемы замещения для расчёта токов КЗ 15
3.2. Расчёт периодической составляющей тока КЗ 16
3.3. Расчёт апериодической составляющей и ударного тока КЗ 17
4. ВЫБОР ВЫКЛЮЧАТЕЛЕЙ И РАЗЪЕДИНИТЕЛЕЙ 22
4.1. Выбор выключателей на стороне высшего, среднего и низшего напряжений 22
4.2. Выбор разъединителей на стороне высшего, среднего и низшего напряжений 23
5. ВЫБОР ТОКООГРАНИЧИВАЮЩИХ РЕАКТОРОВ 26
5.1. Необходимость ограничения токов КЗ 26
5.2. Выбор типа и параметров реакторов 27
6. ВЫБОР ШИН, ОШИНОВКИ И ИЗОЛЯТОРОВ 28
6.1. Выбор шин и ошиновки 28
6.2. Выбор изоляторов 30
7. ВЫБОР КОНТРОЛЬНО-ИЗМЕРИТЕЛЬНЫХ ПРИБОРОВ И ИЗМЕРИТЕЛЬНЫХ ТРАНСФОРМАТОРОВ 32
7.1. Выбор контрольно-измерительных приборов 32
7.2. Выбор трансформаторов тока и напряжения 33
8. ВЫБОР ТРАНСФОРМАТОРОВ СОБСТВЕННЫХ НУЖД 35
8.1. Определение мощности собственных нужд 35
8.2. Выбор типа и мощности трансформаторов собственных нужд 36
9. РАСЧЁТ ЗАЗЕМЛЯЮЩЕГО УСТРОЙСТВА, ВЫБОР ЗАЩИТЫ ОТ ПЕРЕНАПРЯЖЕНИЙ И ГРОЗОЗАЩИТЫ 38
9.1. Расчёт заземляющего устройства 38
9.2. Выбор защиты от перенапряжений (ОПН) 41
9.3. Грозозащита подстанции 43
10. ОПРЕДЕЛЕНИЕ КАПИТАЛЬНЫХ ВЛОЖЕНИЙ И ЕЖЕГОДНЫХ ЭКСПЛУАТАЦИОННЫХ ИЗДЕРЖЕК 46
ЗАКЛЮЧЕНИЕ 48
СПИСОК ЛИТЕРАТУРЫ 49

Характеристики курсовой работы

Просмотров
2
Качество
Идеальное компьютерное
Размер
291,7 Kb

Список файлов

elektricheskaya_chast_stanciy_i_podstanciy_500_220_35_1 (1).docx
Картинка-подпись
Если нужен другой вариант работы или отдельная задача из любой работы, пишите в комментарии

Комментарии

Нет комментариев
Стань первым, кто что-нибудь напишет!
Поделитесь ссылкой:
Цена: 1 000 руб.
Расширенная гарантия +3 недели гарантии, +10% цены
Рейтинг автора
5 из 5
Поделитесь ссылкой:
Сопутствующие материалы

Подобрали для Вас услуги

Вы можете использовать курсовую работу для примера, а также можете ссылаться на неё в своей работе. Авторство принадлежит автору работы, поэтому запрещено копировать текст из этой работы для любой публикации, в том числе в свою курсовую работу в учебном заведении, без правильно оформленной ссылки. Читайте как правильно публиковать ссылки в своей работе.
Свежие статьи
Популярно сейчас
Почему делать на заказ в разы дороже, чем купить готовую учебную работу на СтудИзбе? Наши учебные работы продаются каждый год, тогда как большинство заказов выполняются с нуля. Найдите подходящий учебный материал на СтудИзбе!
Ответы на популярные вопросы
Да! Наши авторы собирают и выкладывают те работы, которые сдаются в Вашем учебном заведении ежегодно и уже проверены преподавателями.
Да! У нас любой человек может выложить любую учебную работу и зарабатывать на её продажах! Но каждый учебный материал публикуется только после тщательной проверки администрацией.
Вернём деньги! А если быть более точными, то автору даётся немного времени на исправление, а если не исправит или выйдет время, то вернём деньги в полном объёме!
Да! На равне с готовыми студенческими работами у нас продаются услуги. Цены на услуги видны сразу, то есть Вам нужно только указать параметры и сразу можно оплачивать.
Отзывы студентов
Ставлю 10/10
Все нравится, очень удобный сайт, помогает в учебе. Кроме этого, можно заработать самому, выставляя готовые учебные материалы на продажу здесь. Рейтинги и отзывы на преподавателей очень помогают сориентироваться в начале нового семестра. Спасибо за такую функцию. Ставлю максимальную оценку.
Лучшая платформа для успешной сдачи сессии
Познакомился со СтудИзбой благодаря своему другу, очень нравится интерфейс, количество доступных файлов, цена, в общем, все прекрасно. Даже сам продаю какие-то свои работы.
Студизба ван лав ❤
Очень офигенный сайт для студентов. Много полезных учебных материалов. Пользуюсь студизбой с октября 2021 года. Серьёзных нареканий нет. Хотелось бы, что бы ввели подписочную модель и сделали материалы дешевле 300 рублей в рамках подписки бесплатными.
Отличный сайт
Лично меня всё устраивает - и покупка, и продажа; и цены, и возможность предпросмотра куска файла, и обилие бесплатных файлов (в подборках по авторам, читай, ВУЗам и факультетам). Есть определённые баги, но всё решаемо, да и администраторы реагируют в течение суток.
Маленький отзыв о большом помощнике!
Студизба спасает в те моменты, когда сроки горят, а работ накопилось достаточно. Довольно удобный сайт с простой навигацией и огромным количеством материалов.
Студ. Изба как крупнейший сборник работ для студентов
Тут дофига бывает всего полезного. Печально, что бывают предметы по которым даже одного бесплатного решения нет, но это скорее вопрос к студентам. В остальном всё здорово.
Спасательный островок
Если уже не успеваешь разобраться или застрял на каком-то задание поможет тебе быстро и недорого решить твою проблему.
Всё и так отлично
Всё очень удобно. Особенно круто, что есть система бонусов и можно выводить остатки денег. Очень много качественных бесплатных файлов.
Отзыв о системе "Студизба"
Отличная платформа для распространения работ, востребованных студентами. Хорошо налаженная и качественная работа сайта, огромная база заданий и аудитория.
Отличный помощник
Отличный сайт с кучей полезных файлов, позволяющий найти много методичек / учебников / отзывов о вузах и преподователях.
Отлично помогает студентам в любой момент для решения трудных и незамедлительных задач
Хотелось бы больше конкретной информации о преподавателях. А так в принципе хороший сайт, всегда им пользуюсь и ни разу не было желания прекратить. Хороший сайт для помощи студентам, удобный и приятный интерфейс. Из недостатков можно выделить только отсутствия небольшого количества файлов.
Спасибо за шикарный сайт
Великолепный сайт на котором студент за не большие деньги может найти помощь с дз, проектами курсовыми, лабораторными, а также узнать отзывы на преподавателей и бесплатно скачать пособия.
Популярные преподаватели
Добавляйте материалы
и зарабатывайте!
Продажи идут автоматически
6999
Авторов
на СтудИзбе
262
Средний доход
с одного платного файла
Обучение Подробнее