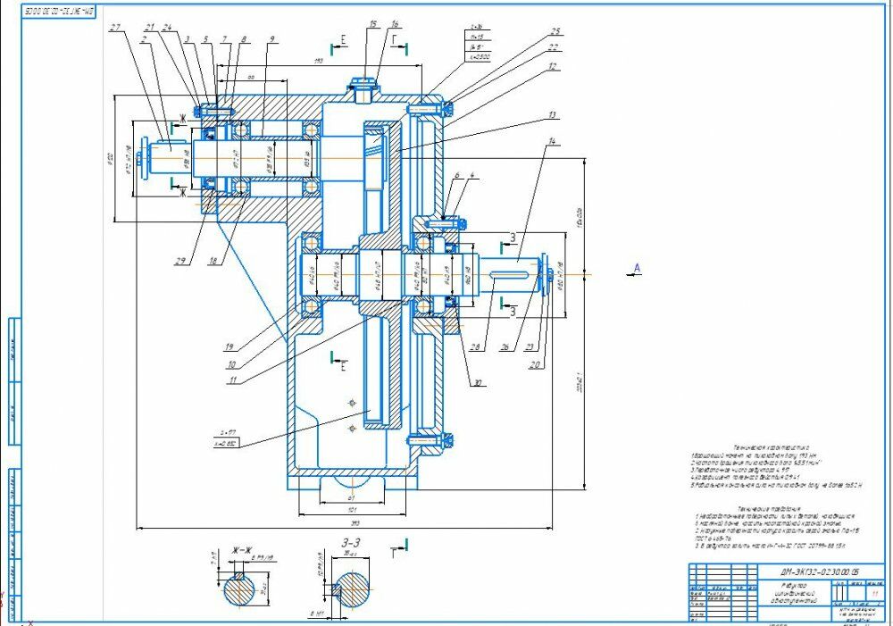
ДМ ЭКГ32 - привод ленточного транспортера с одноступенчатым цилиндрическим редуктором с косозубой передачей внутреннего зацепления
Описание
Черчеж Компас в формате A1
Введение
Целью данного курсового проекта является приобретение навыков конструирования.
Задачи: спроектировать привод ленточного транспортера с одноступенчатым цилиндрическим редуктором с косозубой передачей внутреннего зацепления; разработать общий вид привода, редуктор, чертежи деталей, упруго компенсирующую муфту, приводной вал; рассчитать прочность валов, подшипников, соединений.
Принцип работы привода: электродвигатель создает вращающий момент, который передается через муфту с вала электродвигателя на входной вал редуктора. Передаточное отношение редуктора, позволяет получить более меньшую частоту вращения, и соответственно, увеличенный момент передается с выходного вала редуктора через упруго-компенсирующую муфту на приводной вал ленточного транспортера. Приводной вал передает вращающий момент на барабан, приводя его в движение, с необходимой частотой для получения требуемой скорости ленты, натянутой на барабан.






Файлы условия, демо
Характеристики курсовой работы
Список файлов
