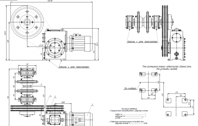
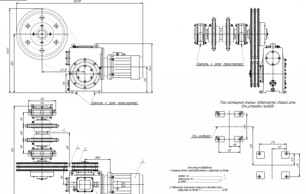
Для студентов МГТУ им. Н.Э.Баумана по предмету Детали машин (ДМ)Привод цепного транспортера ДМ 545.00.00Привод цепного транспортера ДМ 545.00.00
4,8858693
2021-05-292021-05-29СтудИзба
Курсовая работа ДМ: Привод цепного транспортера ДМ 545.00.00 вариант 545
Описание
Характеристики курсовой работы
Предмет
Учебное заведение
Семестр
Номер задания
Вариант
Просмотров
17
Размер
1,03 Mb
Список файлов
Курсовой проект ДМ 545.00.00 (г.м
Вал приводной.pdf
Вал тихоходный.pdf
Звездочка трехрядная.pdf
Колесо зубчатое.pdf
Мотор-редуктор цилиндро-червячный 2.pdf
Мотор-редуктор цилиндро-червячный.pdf
Привод цепного транспортера.pdf

НОВИНКА: отчеты по практикам! Поиск - по названию предприятия в тэге. База учебных материалов МГТУ им. Н.Э. Баумана в формате pdf, оригиналы файлов отсутствуют (если иное не оговорено в описании). Вопросы задавайте ДО покупки в комментариях под файлами.