Для студентов МГТУ им. Н.Э.Баумана по предмету Детали машин (ДМ)ДМ 1122 - Индивидуальный привод с двухступенчатым цилиндрическим косозубым соосным однопоточным редукторомДМ 1122 - Индивидуальный привод с двухступенчатым цилиндрическим косозубым соосным однопоточным редуктором
5,0051
2021-05-112024-09-03СтудИзба
Курсовая работа ДМ: ДМ 1122 - Индивидуальный привод с двухступенчатым цилиндрическим косозубым соосным однопоточным редуктором
-64%
Описание
РПЗ и Чертеж PDF в формате A1
Введение.
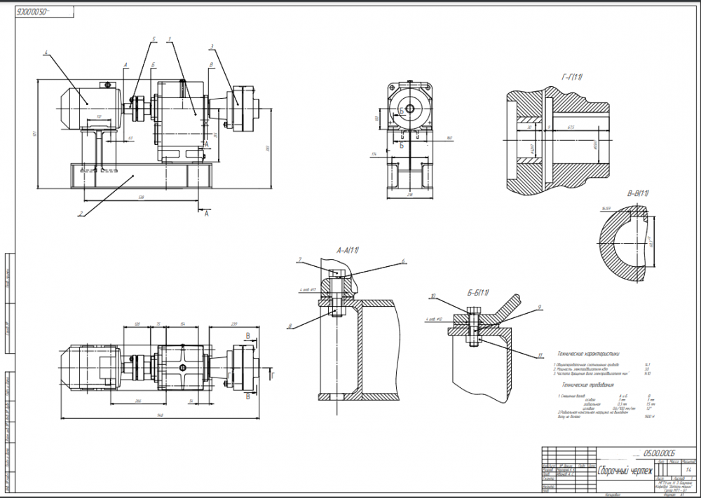
В рамках данного проекта нам необходимо спроектировать индивидуальный привод с двухступенчатым цилиндрическим косозубым соосным однопоточным редуктором (первая и вторая ступень-косозубые передачи внешнего зацепления), состоящий из асинхронного электродвигателя, комбинированной муфты, муфты и рамы.
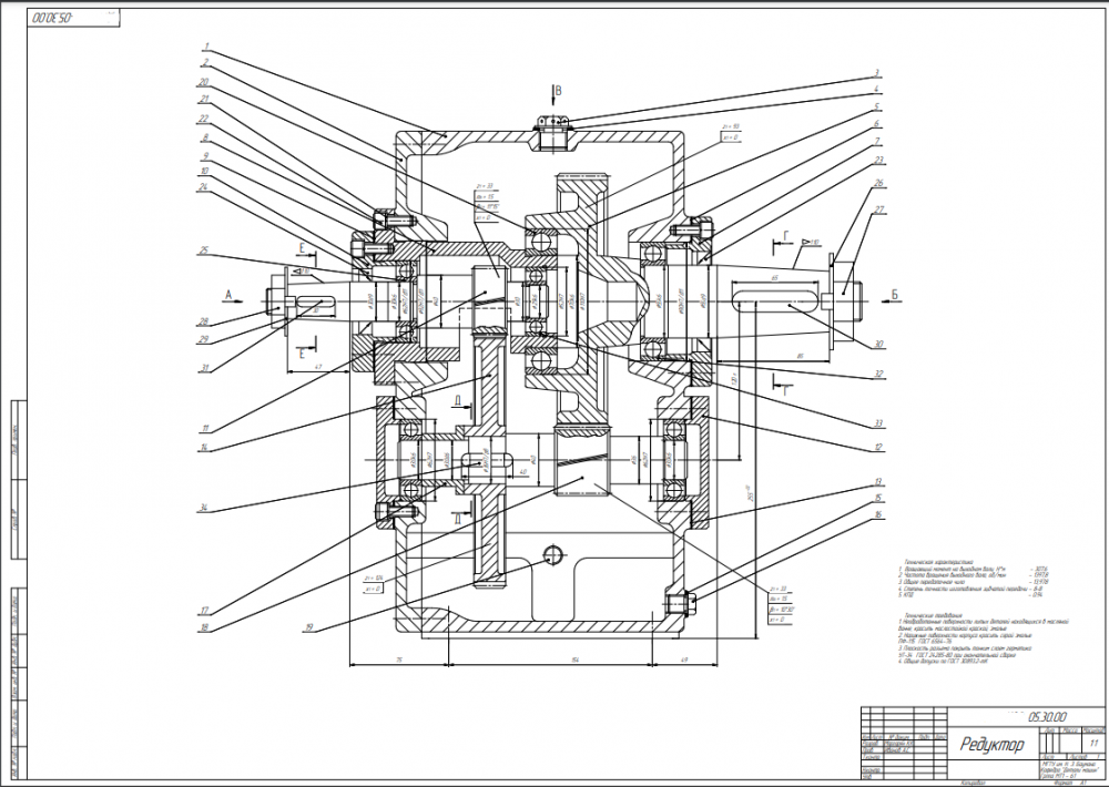
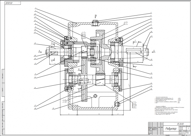
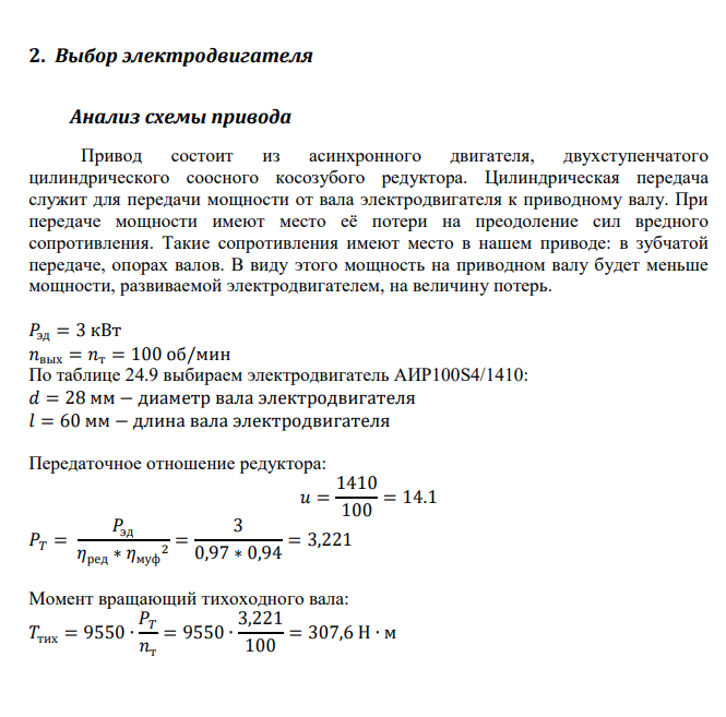
Анализ схемы привода Привод состоит из асинхронного двигателя, двухступенчатого цилиндрического соосного косозубого редуктора. Цилиндрическая передача служит для передачи мощности от вала электродвигателя к приводному валу. При передаче мощности имеют место её потери на преодоление сил вредного сопротивления. Такие сопротивления имеют место в нашем приводе: в зубчатой передаче, опорах валов. В виду этого мощность на приводном валу будет меньше мощности, развиваемой электродвигателем, на величину потерь.
![]()
Введение.
В рамках данного проекта нам необходимо спроектировать индивидуальный привод с двухступенчатым цилиндрическим косозубым соосным однопоточным редуктором (первая и вторая ступень-косозубые передачи внешнего зацепления), состоящий из асинхронного электродвигателя, комбинированной муфты, муфты и рамы.
Анализ схемы привода Привод состоит из асинхронного двигателя, двухступенчатого цилиндрического соосного косозубого редуктора. Цилиндрическая передача служит для передачи мощности от вала электродвигателя к приводному валу. При передаче мощности имеют место её потери на преодоление сил вредного сопротивления. Такие сопротивления имеют место в нашем приводе: в зубчатой передаче, опорах валов. В виду этого мощность на приводном валу будет меньше мощности, развиваемой электродвигателем, на величину потерь.






Файлы условия, демо
Характеристики курсовой работы
Предмет
Учебное заведение
Семестр
Номер задания
Вариант
Просмотров
248
Размер
2,13 Mb
Список файлов
Индивидуальный привод с двухступенчатым цилиндрическим косозубым соосным однопоточным редуктором
1.PNG
Лист 1.pdf
Лист 2.pdf
Лист 3.pdf
Лист 4.pdf
Лист 5 - Общий вид.pdf
РПЗ.pdf
Спецификация 2.pdf
Спецификация.pdf

Друзья, спасибо за доверие! Если вам понравилась работа – поставьте 5⭐ и напишите отзыв. Это поможет другим студентам, а мне даст силы делать ещё больше качественных материалов для вас 🔥