Главная » Учебные материалы » Детали машин (ДМ) » Курсовые работы » МГТУ им. Н.Э.Баумана » 6 семестр » Номер ДМ » Вариант 1149 » ДМ 1149 - Привод цепного транспортера с двухступенчатым цилиндрическим вертикальным мотор-редуктором с косозубыми передачами внешнего зацепления и полным валом
Для студентов МГТУ им. Н.Э.Баумана по предмету Детали машин (ДМ)ДМ 1149 - Привод цепного транспортера с двухступенчатым цилиндрическим вертикальным мотор-редуктором с косозубыми передачами внешнего зацепления и полДМ 1149 - Привод цепного транспортера с двухступенчатым цилиндрическим вертикальным мотор-редуктором с косозубыми передачами внешнего зацепления и пол
5,0053
2024-09-03СтудИзба

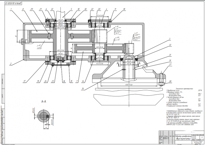
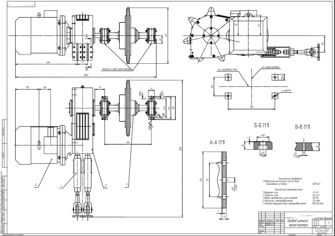
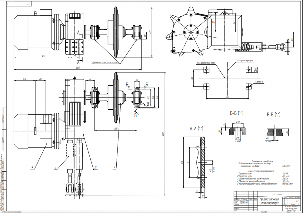
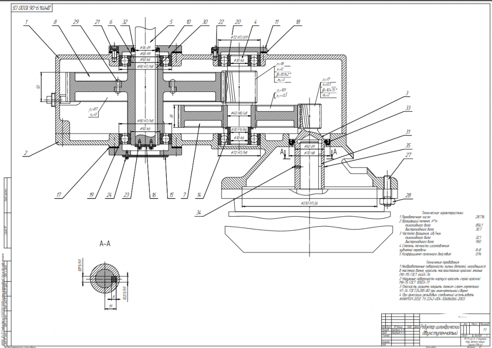
ДМ 1149 - Привод цепного транспортера с двухступенчатым цилиндрическим вертикальным мотор-редуктором с косозубыми передачами внешнего зацепления и полным валом

-64%

Описание

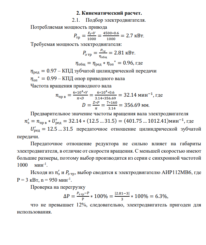
РПЗ и Листы Чертеж PDF в формате A1
Техническое задание.
1.1. Введение. Зубчатая передача - это механизм или часть механизма механической передачи, в состав которого входят зубчатые колёса. Назначение:  передача вращательного движения между валами, которые могут иметь параллельные, пересекающиеся и скрещивающиеся оси;  преобразование вращательного движения в поступательное, и наоборот. Достоинства: 1) высокая нагрузочная способность; 2) малые габариты; 3) большая надежность и долговечность (40000 ч); 4) постоянство передаточного числа; 5) высокий КПД (до 0.97…0.98 в одной ступени); 6) простота эксплуатации. Недостатки: 1) повышенные требования к точности изготовления и монтажа; 2) шум при больших скоростях; 3) высокая жесткость, не позволяющая компенсировать динамические нагрузки. Их применяют для передачи мощностей от долей до десятков тысяч киловатт при окружных скоростях до 150 м/с и передаточных числах до нескольких сотен и даже тысяч, с диаметром колес от долей миллиметра до 6 м и более.

Файлы условия, демо

Характеристики курсовой работы

Учебное заведение
Семестр
Номер задания
Вариант
Просмотров
670
Размер
2,69 Mb

Список файлов

Привод цепного транспортера с двухступенчатым цилиндрическим вертикальным мотор-редуктором с косозубыми передачами внешнего зацепления и полным валом
Лист 1 редуктор.pdf
Лист 1.PNG
Лист 2.pdf
Лист 3.pdf
Лист 4 приводной вал.pdf
Лист 5.pdf
РПЗ.pdf
Спецификация.pdf
спецификация 2.pdf
спецификация 3.pdf
Картинка-подпись
Друзья, спасибо за доверие! Если вам понравилась работа – поставьте 5⭐ и напишите отзыв. Это поможет другим студентам, а мне даст силы делать ещё больше качественных материалов для вас 🔥

Комментарии

Нет комментариев
Стань первым, кто что-нибудь напишет!
Поделитесь ссылкой:
Цена: 5 000 1 790 руб.
Расширенная гарантия +3 недели гарантии, +10% цены
Рейтинг покупателей
5 из 5
Поделитесь ссылкой:
Сопутствующие материалы

Подобрали для Вас услуги

-57%
Вы можете использовать курсовую работу для примера, а также можете ссылаться на неё в своей работе. Авторство принадлежит автору работы, поэтому запрещено копировать текст из этой работы для любой публикации, в том числе в свою курсовую работу в учебном заведении, без правильно оформленной ссылки. Читайте как правильно публиковать ссылки в своей работе.
Свежие статьи
Популярно сейчас
Как Вы думаете, сколько людей до Вас делали точно такое же задание? 99% студентов выполняют точно такие же задания, как и их предшественники год назад. Найдите нужный учебный материал на СтудИзбе!
Ответы на популярные вопросы
Да! Наши авторы собирают и выкладывают те работы, которые сдаются в Вашем учебном заведении ежегодно и уже проверены преподавателями.
Да! У нас любой человек может выложить любую учебную работу и зарабатывать на её продажах! Но каждый учебный материал публикуется только после тщательной проверки администрацией.
Вернём деньги! А если быть более точными, то автору даётся немного времени на исправление, а если не исправит или выйдет время, то вернём деньги в полном объёме!
Да! На равне с готовыми студенческими работами у нас продаются услуги. Цены на услуги видны сразу, то есть Вам нужно только указать параметры и сразу можно оплачивать.
Отзывы студентов
Ставлю 10/10
Все нравится, очень удобный сайт, помогает в учебе. Кроме этого, можно заработать самому, выставляя готовые учебные материалы на продажу здесь. Рейтинги и отзывы на преподавателей очень помогают сориентироваться в начале нового семестра. Спасибо за такую функцию. Ставлю максимальную оценку.
Лучшая платформа для успешной сдачи сессии
Познакомился со СтудИзбой благодаря своему другу, очень нравится интерфейс, количество доступных файлов, цена, в общем, все прекрасно. Даже сам продаю какие-то свои работы.
Студизба ван лав ❤
Очень офигенный сайт для студентов. Много полезных учебных материалов. Пользуюсь студизбой с октября 2021 года. Серьёзных нареканий нет. Хотелось бы, что бы ввели подписочную модель и сделали материалы дешевле 300 рублей в рамках подписки бесплатными.
Отличный сайт
Лично меня всё устраивает - и покупка, и продажа; и цены, и возможность предпросмотра куска файла, и обилие бесплатных файлов (в подборках по авторам, читай, ВУЗам и факультетам). Есть определённые баги, но всё решаемо, да и администраторы реагируют в течение суток.
Маленький отзыв о большом помощнике!
Студизба спасает в те моменты, когда сроки горят, а работ накопилось достаточно. Довольно удобный сайт с простой навигацией и огромным количеством материалов.
Студ. Изба как крупнейший сборник работ для студентов
Тут дофига бывает всего полезного. Печально, что бывают предметы по которым даже одного бесплатного решения нет, но это скорее вопрос к студентам. В остальном всё здорово.
Спасательный островок
Если уже не успеваешь разобраться или застрял на каком-то задание поможет тебе быстро и недорого решить твою проблему.
Всё и так отлично
Всё очень удобно. Особенно круто, что есть система бонусов и можно выводить остатки денег. Очень много качественных бесплатных файлов.
Отзыв о системе "Студизба"
Отличная платформа для распространения работ, востребованных студентами. Хорошо налаженная и качественная работа сайта, огромная база заданий и аудитория.
Отличный помощник
Отличный сайт с кучей полезных файлов, позволяющий найти много методичек / учебников / отзывов о вузах и преподователях.
Отлично помогает студентам в любой момент для решения трудных и незамедлительных задач
Хотелось бы больше конкретной информации о преподавателях. А так в принципе хороший сайт, всегда им пользуюсь и ни разу не было желания прекратить. Хороший сайт для помощи студентам, удобный и приятный интерфейс. Из недостатков можно выделить только отсутствия небольшого количества файлов.
Спасибо за шикарный сайт
Великолепный сайт на котором студент за не большие деньги может найти помощь с дз, проектами курсовыми, лабораторными, а также узнать отзывы на преподавателей и бесплатно скачать пособия.
Популярные преподаватели
Добавляйте материалы
и зарабатывайте!
Продажи идут автоматически
6823
Авторов
на СтудИзбе
275
Средний доход
с одного платного файла
Обучение Подробнее
{user_main_secret_data}