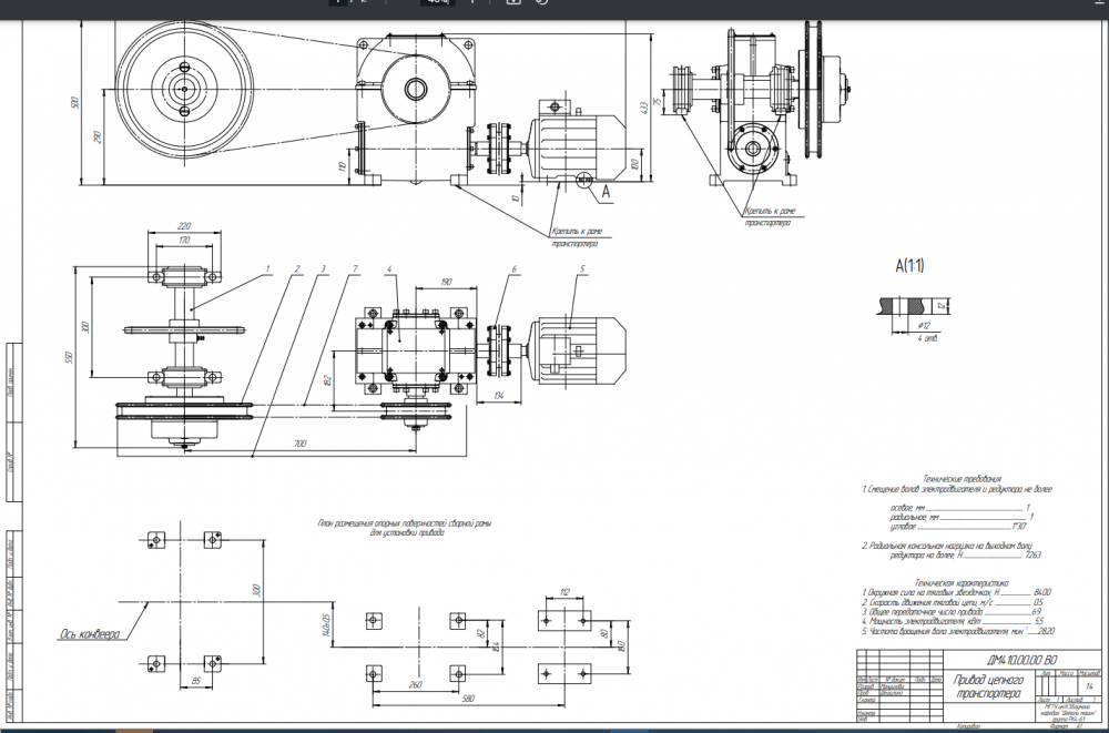
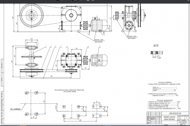
Для студентов МГТУ им. Н.Э.Баумана по предмету Детали машин (ДМ)ДМ 410 - Привод цепного транспортера с червячным редукторомДМ 410 - Привод цепного транспортера с червячным редуктором
5,0051
2021-04-102024-09-03СтудИзба
Курсовая работа ДМ: ДМ 410 - Привод цепного транспортера с червячным редуктором вариант 410
-64%
Описание
Чертеж PDF в формате A1, Нет РПЗ
6 семестр,
кафедра - РК3,
руководитель - Шешулина,
оценка - 5
Привод цепного транспортера
- Привод цепного транспортера
6 семестр,
кафедра - РК3,
руководитель - Шешулина,
оценка - 5
Привод цепного транспортера


Характеристики курсовой работы
Предмет
Учебное заведение
Семестр
Номер задания
Вариант
Просмотров
368
Размер
1,46 Mb
Список файлов
Проект ДМ 410
Лист 1-Червячный редуктор.pdf
Лист 1.PNG
Лист 2.pdf
Лист 3.1.pdf
Лист 3.2.pdf
Лист 4.pdf
Лист 5- Привод цепного транспортера.pdf

Друзья, спасибо за доверие! Если вам понравилась работа – поставьте 5⭐ и напишите отзыв. Это поможет другим студентам, а мне даст силы делать ещё больше качественных материалов для вас 🔥