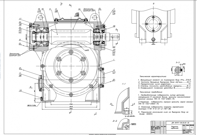
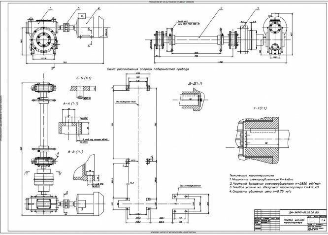
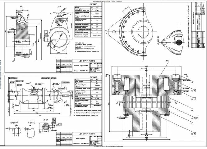
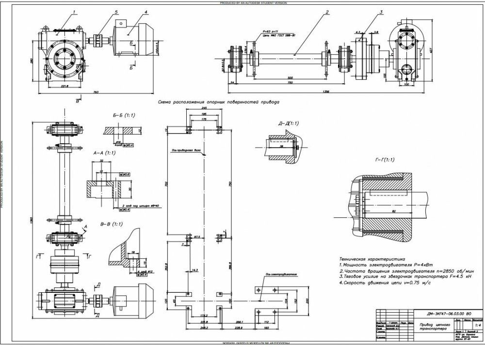
Для студентов МГТУ им. Н.Э.Баумана по предмету Детали машин (ДМ)ДМ ЭКГ 47 - привод цепного транспортера и червячный редукторДМ ЭКГ 47 - привод цепного транспортера и червячный редуктор
4,90547163
2021-04-062024-09-03СтудИзба
Курсовая работа ЭКГ47: ДМ ЭКГ 47 - привод цепного транспортера и червячный редуктор вариант 47
-64%
Описание
Файлы условия, демо
Характеристики курсовой работы
Предмет
Учебное заведение
Семестр
Номер задания
Вариант
Просмотров
293
Размер
1,06 Mb
Список файлов
Проект ДМ ЭКГ 47 Листы.pdf

Друзья, спасибо за доверие! Если вам понравилась работа – поставьте 5⭐ и напишите отзыв. Это поможет другим студентам, а мне даст силы делать ещё больше качественных материалов для вас 🔥