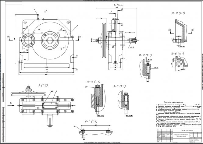
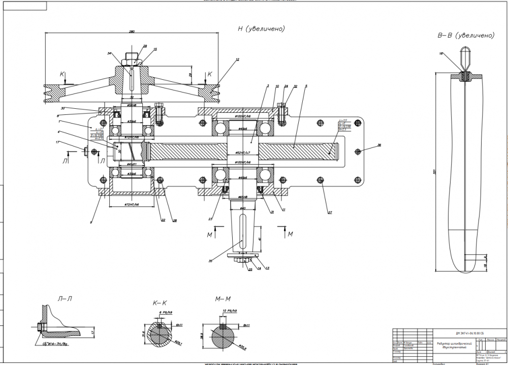
Для студентов МГТУ им. Н.Э.Баумана по предмету Детали машин (ДМ)ДМ 417 - Привод ленточного транспортера, редуктор цилиндрический одноступенчатыйДМ 417 - Привод ленточного транспортера, редуктор цилиндрический одноступенчатый
4,90546591
2021-03-282024-09-03СтудИзба
Курсовая работа ДМ: ДМ 417 - Привод ленточного транспортера, редуктор цилиндрический одноступенчатый вариант 417
-64%
Описание
Файлы условия, демо
Характеристики курсовой работы
Предмет
Учебное заведение
Семестр
Номер задания
Вариант
Просмотров
158
Размер
1,66 Mb
Список файлов
Проект ДМ 417 Листы
Capture.PNG
Лист 1.PNG
Лист 1.pdf
Лист 2.pdf
Лист 3.pdf
Лист 4.pdf
Лист 5.PNG
Лист 5.pdf
Сертификат.pdf

Друзья, спасибо за доверие! Если вам понравилась работа – поставьте 5⭐ и напишите отзыв. Это поможет другим студентам, а мне даст силы делать ещё больше качественных материалов для вас 🔥