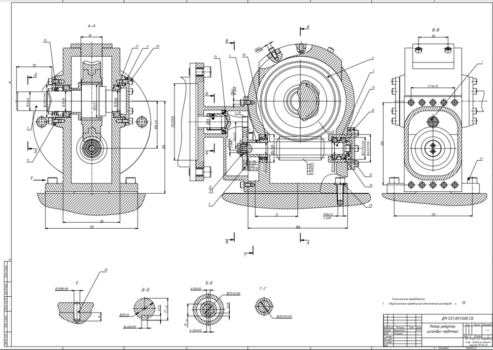
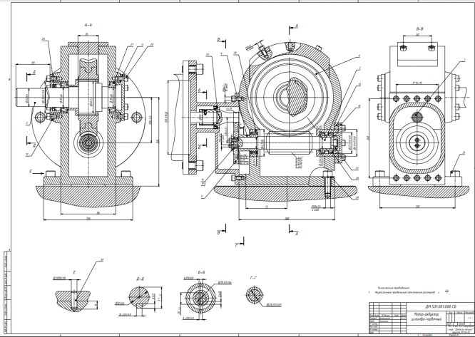
Для студентов МГТУ им. Н.Э.Баумана по предмету Детали машин (ДМ)ДМ 531 - Привод ленточного транспортёра с червячным редукторомДМ 531 - Привод ленточного транспортёра с червячным редуктором
4,90546647
2021-03-252024-09-03СтудИзба
Курсовая работа ДМ: ДМ 531 - Привод ленточного транспортёра с червячным редуктором вариант 531
-64%
Описание
Чертеж PDF в формате A1, Нет РПЗ
Привод ленточного транспортёра с червячным редуктором (Только Листы)
![]()
Привод ленточного транспортёра с червячным редуктором (Только Листы)


Характеристики курсовой работы
Предмет
Учебное заведение
Семестр
Номер задания
Вариант
Просмотров
216
Размер
1,7 Mb
Список файлов
ДМ 531
Вал тихоходный.pdf
Корпус.pdf
Лист 1.PNG
Лист 1.dwg
Лист 1.pdf
Лист 2.PNG
Лист 2.dwg
Лист 2.pdf
Лист 3 Муфта.dwg
Лист 3 Муфта.pdf
Лист 4.Вал приводной в сборе.dwg
Лист 4.Вал приводной в сборе.pdf
Лист 5.dwg
Лист 5.pdf
Червячное колесо.pdf

Друзья, спасибо за доверие! Если вам понравилась работа – поставьте 5⭐ и напишите отзыв. Это поможет другим студентам, а мне даст силы делать ещё больше качественных материалов для вас 🔥