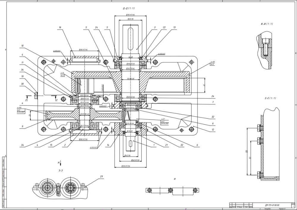
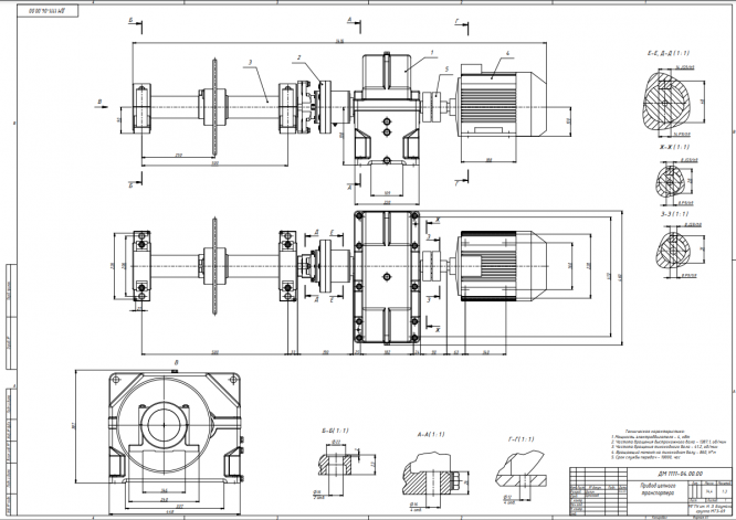
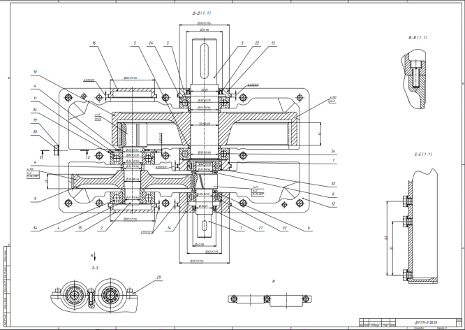
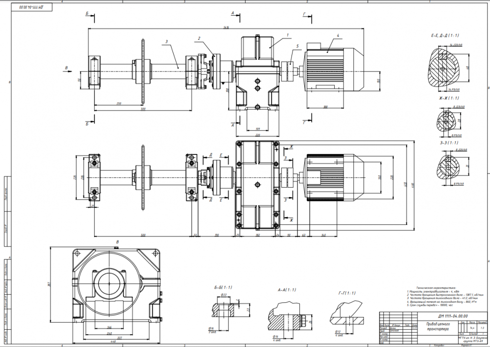
Для студентов МГТУ им. Н.Э.Баумана по предмету Детали машин (ДМ)ДМ 1111 - Привод цепного транспортера и редуктор двухступенчатый цилиндрический соосныйДМ 1111 - Привод цепного транспортера и редуктор двухступенчатый цилиндрический соосный
4,90547163
2021-03-212024-09-03СтудИзба
Курсовая работа ДМ: ДМ 1111 - Привод цепного транспортера и редуктор двухступенчатый цилиндрический соосный вариант 1111
-64%
Описание
Характеристики курсовой работы
Предмет
Учебное заведение
Семестр
Номер задания
Вариант
Просмотров
212
Размер
1,56 Mb
Список файлов
Проект ДМ 1111
Лист 1.dwg
Лист 1.pdf
Лист 2.dwg
Лист 2.pdf
Лист 3.1 Вал.pdf
Лист 3.2 Колесо.pdf
Лист 3.3 Муфта.dwg
Лист 3.3 Муфта.pdf
Лист 4 Приводной вал.dwg
Лист 4 Приводной вал.pdf
Лист 5 - Привод цепного транспортера.dwg
Лист 5 - Привод цепного транспортера.pdf
Лист 6.dwg
Лист 6.pdf

Друзья, спасибо за доверие! Если вам понравилась работа – поставьте 5⭐ и напишите отзыв. Это поможет другим студентам, а мне даст силы делать ещё больше качественных материалов для вас 🔥