Для студентов МГТУ им. Н.Э.Баумана по предмету Детали машин (ДМ)ДМ 16 - привод ленточного транспортераДМ 16 - привод ленточного транспортера
4,90546968
2021-03-102024-09-03СтудИзба
Курсовая работа ДМ: ДМ 16 - привод ленточного транспортера вариант 16
-64%
Описание
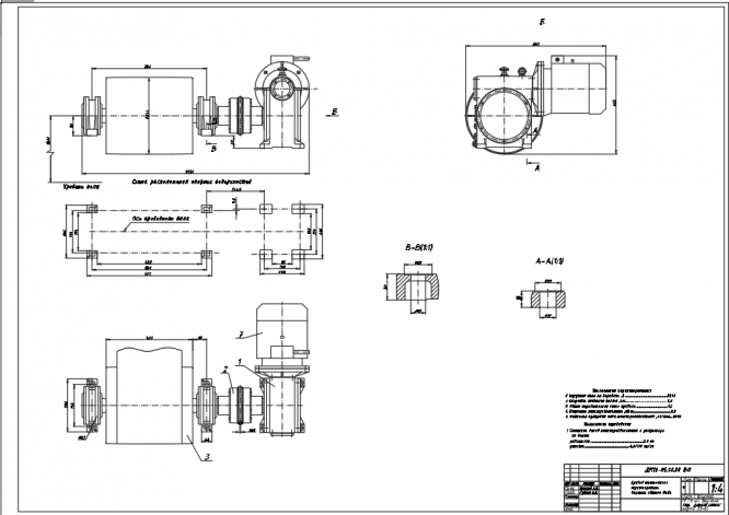
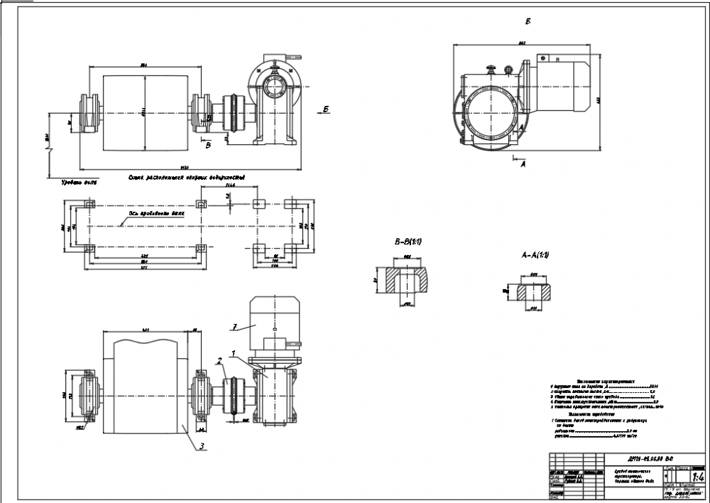
Электромеханический привод следящей системы состоит из следующих частей:
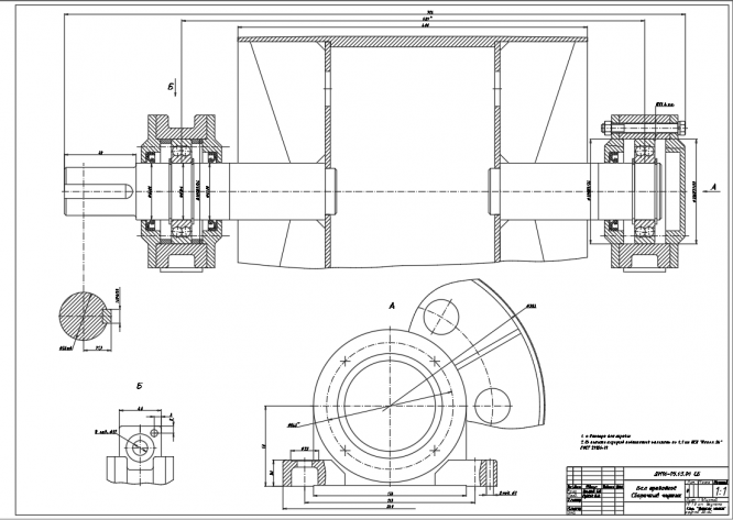
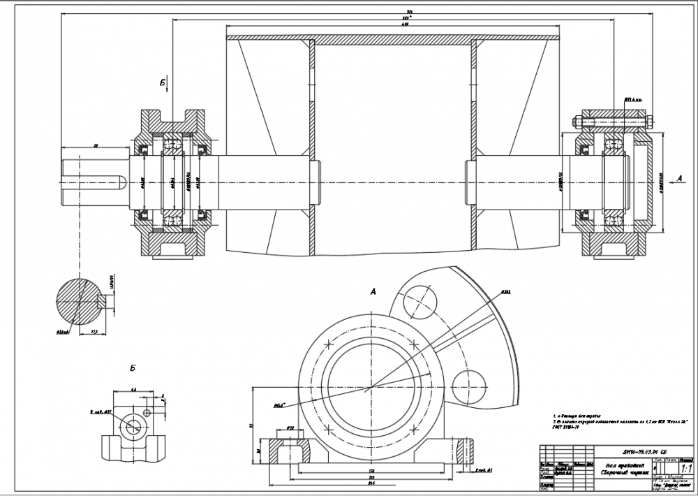
- Редуктор, состоящий из пяти ступеней, выполненный по параллельной схеме расположения валов Передаточное отношение равно 625. Конструктивное исполнение представлено на чертеже общего вида.В конструкции редуктора применён двухплатный корпус, скрепленных 4 (чтырмя) стойками. Корпус служит для установки и скрепления подвижных и неподвижных узлов механизма. Он защищает детали и узлы механизма от вредных внешних воздействий, создает удобство и безопасность эксплуатации, условия для точной и надежной работы механизмов. На верхней плате корпуса крепятся электродвигатель, разъем, потенциометр, микропереключатели. Конструкция имеет достаточную прочность и жесткость. Допускается возможность узловой сборки. Платы корпуса редуктора изготовлены из листового материал – Д16Т. В корпус посредством крышек вставляются подшипники качения. Одновременная обработка отверстий в обеих платах позволяет получить высокую точность их взаимного расположения.
- Электродвигатель постоянного тока с возбуждением от постоянных магнитов
ДПР 52-Ф1-01 крепится на верхней плате корпуса, при помощи 4-х винтов. Применение двигателя постоянного тока обусловлено техническим заданием на ЭМП . - Потенциометр СП3-10бМ, служит для измерения угла поворота выходного вала и подаче его значения в систему управления. Установлен на верхней плате корпуса.
- Разъём РС-19, обеспечивающий электрическую связь привода с источником питания и системой управления.
- Плата микропереключателей, которые отключают двигатель при предельном повороте выходного вала.
Технические характеристики изделия:
Максимальный статический момент нагрузки 4.0 Н·М
Максимальное значение угловой скорости вращения выходного вала 1 рад/с
Максимальное значение угловое ускорения выходного вала 1 рад/с2
Момент инерции нагрузки на выходном валу Jн 0.7 кг·м2
Род тока постоянный
Напряжение тока 27 В
Срок службы привода Т, не менее 400 час
Критерий расчета Быстродействие
Предельный угол поворота выходного вала 1600
Взаимное расположение входного и выходного вала параллельное



Характеристики курсовой работы
Предмет
Учебное заведение
Семестр
Номер задания
Вариант
Просмотров
206
Размер
1,71 Mb
Список файлов
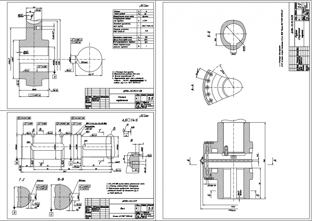
Проект №16
Вал.dwg
Лист 1.dwg
Лист 1.frw
Лист 2.dwg
Лист 2.frw
Лист 3.dwg
Лист 3.frw
Лист 4.dwg
Лист 4.frw
Лист 5.dwg
РПЗ.doc
Расчет вал.dwg
Расчет.PNG
Расчет.doc
Спецификация.dwg
титульный лист.PNG

Друзья, спасибо за доверие! Если вам понравилась работа – поставьте 5⭐ и напишите отзыв. Это поможет другим студентам, а мне даст силы делать ещё больше качественных материалов для вас 🔥