Курсовая работа ДМ: Привод цепного транспортера с двухступенчатым цилиндрическим редуктором выполненным по развернутой схеме
Описание
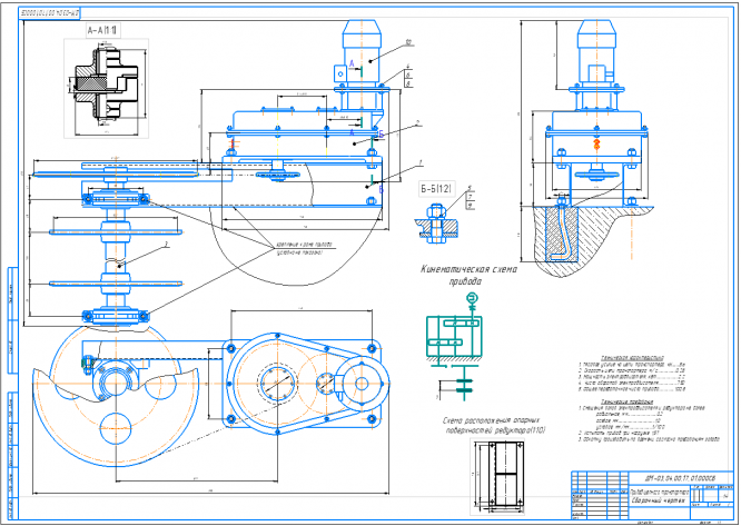
РПЗ и Черчеж Компас в формате A1
При выполнении курсового проекта по “Деталям машин” были закреплены знания, полученные за прошедший период обучения в таких дисциплинах как: теоретическая механика, сопротивление материалов, материаловедение.
Целью данного проекта является проектирование привода цепного конвейера, который состоит как из простых стандартных деталей, так и из деталей, форма и размеры которых определяются на основе конструкторских, технологических, экономических и других нормативов.
В ходе решения поставленной передо мной задачей, была освоена методика выбора элементов привода, получены навыки проектирования, позволяющие обеспечить необходимый технический уровень, надежность и долгий срок службы механизма.
Опыт и навыки, полученные в ходе выполнения курсового проекта, будут востребованы при выполнении, как курсовых проектов, так и дипломного проекта.
Можно отметить, что спроектированный редуктор обладает хорошими свойствами по всем показателям.
По результатам расчета на контактную выносливость действующие напряжения в зацеплении меньше допускаемых напряжений.
По результатам расчета по напряжениям изгиба действующие напряжения изгиба меньше допускаемых напряжений.
Расчет вала показал, что запас прочности больше допускаемого.
Необходимая динамическая грузоподъемность подшипников качения меньше паспортной.
При расчете был выбран электродвигатель, который удовлетворяет заданные требования.




Характеристики курсовой работы
Список файлов
