Для студентов МГТУ им. Н.Э.Баумана по предмету Детали машин (ДМ)Рубежный контрольРубежный контроль
5,00526
2024-08-31СтудИзба

Ответы к контрольной работе 3: Рубежный контроль

-60%

Описание

Вопросы к Рубежному контроль №3

  • По каким признакам классифицируют подшипники качения? Из чего состоит обозначение подшипника качения?
  • Причины выхода подшипников качения из строя. Как вычислить контактные напряжения в контакте шарика с наружным кольцом радиального однорядного шарикоподшипника? Какая деталь обычно повреждается? Материалы для изготовления деталей подшипника.
  • Причины выхода подшипников качения из строя. Как вычислить контактные напряжения в контакте шарика с внутренним кольцом радиального однорядного шарикоподшипника? Какая деталь обычно повреждается? Материалы для изготовления деталей подшипника.
  • Какие бывают типы подшипников качения и как их различают? Изобразите радиально-упорный роликовый конический подшипник. Каковы технические характеристики этого подшипника? Силы какого направления он может воспринимать?
  • Изобразите радиальный однорядный шариковый подшипник, приведите техническую характеристику этого подшипника. Силы какого направления он может воспринимать? Формулы для подбора подшипника по базовым статической и динамической грузоподъемностям. Укажите, в каких случаях проводят тот или иной расчет.
  • Изобразите радиальный шариковый двухрядный сферический подшипник, приведите техническую характеристику этого подшипника. Силы какого направления он может воспринимать? Формулы для подбора подшипника по базовым статической и динамической грузоподъемностям. Укажите, в каких случаях проводят тот или иной расчет.
  • Изобразите радиальный однорядный подшипник с короткими цилиндрическими роликами, приведите техническую характеристику этого подшипника. Силы какого направления он может воспринимать? Формулы для подбора подшипника по базовым статической и динамической грузоподъемностям. Укажите, в каких случаях проводят тот или иной расчет.
  • Изобразите радиально-упорный однорядный шариковый подшипник, приведите техническую характеристику этого подшипника. Силы какого направления он может воспринимать? Формулы для подбора подшипника по базовым статической и динамической грузоподъемностям. Укажите, в каких случаях проводят тот или иной расчет.
  • Изобразите радиально-упорный конический роликовый подшипник, приведите техническую характеристику этого подшипника. Силы какого направления он может воспринимать? Формулы для подбора подшипника по базовым статической и динамической грузоподъемностям. Укажите, в каких случаях проводят тот или иной расчет.
  • Изобразите упорный шариковый подшипник, приведите техническую характеристику этого подшипника. Силы какого направления он может воспринимать? Формулы для подбора подшипника по базовым статической и динамической грузоподъемностям. Укажите, в каких случаях проводят тот или иной расчет.
  • Изобразите радиальные однорядные подшипники: шариковый и роликовый. Дайте определение базовой динамической грузоподъемности радиальных подшипников. Силы какого направления они могут воспринимать?
  • При каких условиях и как (привести формулы) подбирают радиальные однорядные шарикоподшипники по динамической грузоподъемности? Силы какого направления они могут воспринимать?
  • Дайте определение базовой статической грузоподъемности радиально-упорного подшипника. В каких случаях подшипник подбирают по статической грузоподъемности? Приведите расчетные формулы, используемые для подбора.
  • Чем отличаются методы подбора подшипников качения при n = 1300 мин-1,
    n = 2,5 мин-1 и n = 0,4 мин-1?
  • Какого направления эквивалентная динамическая нагрузка для радиально-упорных подшипников и как она определяется?
  • Как определить эквивалентную динамическую нагрузку для радиально-упорного роликового конического подшипника?
  • Изобразите радиальный сферический двухрядный шарикоподшипник, укажите его технические характеристики. Силы какого направления он может воспринимать? В каких условиях его применяют? Каковы особенности расчета подшипниковых узлов на ресурс с этими подшипниками?
  • Серии подшипников по диаметру и ширине, на каких местах в цифровом обозначении подшипника они находятся, влияние серии на габаритные размеры и грузоподъемность?
  • Расшифруйте обозначение 7318 подшипника, нарисуйте его осевое сечение, покажите на рисунке угол контакта, каковы технические характеристики подшипника? Силы какого направления он может воспринимать?
  • Какие известны схемы осевой фиксации валов, когда и почему применяется каждая из них?
  • Правила конструирования опор консольно нагруженных валов. Способы уменьшения их осевого габаритного размера. Понятие об опорно-поворотном подшипнике.
  • Достоинства и недостатки (по сравнению с подшипниками качения) гидродинамических подшипников скольжения. Их область применения.
  • Суть проектного и проверочного расчетов валов.
  • Изложите методику расчета вала на статическую прочность. Материалы валов, зачем применяется термообработка частей вала и какие?
  • Изложите методику расчета вала на усталостную прочность. Материалы валов, зачем применяются термообработки частей вала и какие?
  • Виды подшипников скольжения. Виды трения гидродинамического подшипника скольжения при пуске, разгоне и работе в номинальном режиме. Расчеты, призванные обеспечить работоспособность при пуске и при разгоне.
  • Изобразите гидродинамический подшипник скольжения: при пуске, при разгоне, при работе в номинальном режиме. Что такое эксцентриситет шейки вала относительно расточки в подшипнике? Какого условие работоспособности подшипника в номинальном режиме работы?
  • Изобразите гидродинамический подшипник скольжения: при пуске, при разгоне, при работе в номинальном режиме. Как обеспечить работоспособность подшипника в номинальном режиме работы?
  • Изобразите эпюры контактных напряжений в наиболее нагруженной точке подшипников: радиального качения при вращении внутреннего кольца относительно нагрузки; радиального качения при вращении наружного кольца относительно нагрузки; гидродинамического подшипника скольжения. Какой из 3-х вариантов подшипников более долговечен в стационарном режиме работы и какой менее долговечен?
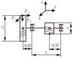
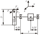
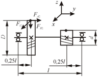
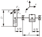
  • Нанести направления сил Ft1 и FR1, приложенных к шестерне (точка – место приложения сил), а затем вычислить реакции в опорах и построить эпюры изгибающих Mв и Mг и крутящих T моментов, если D = l, Ft2 = F, FA2 = 0,5F, FR2 = 0,5F, Ft1 = 2F и FR1 = F.
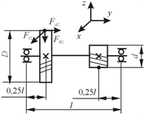
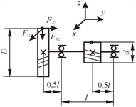
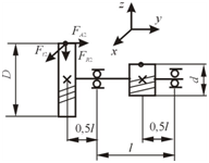
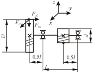
  • Нанести направления сил Ft1, FR1 и FA1, приложенных к шестерне (точка – место приложения сил), а затем вычислить реакции в опорах и построить эпюры изгибающих Mв и Mг и крутящих T моментов, если D = l, d = 0,5l, Ft2 = F, FA2 = 0,5F, FR2 = 0,5F, Ft1 = 2F и FR1 = F, FA1 = F.
  • Нанести направления сил Ft1, FR1 и FA1, приложенных к шестерне (точка – место приложения сил), а затем вычислить реакции в опорах и построить эпюры изгибающих Mв и Mг и крутящих T моментов, если D = l, d = 0,5l, Ft2 = F, FA2 = 0,5F, FR2 = 0,5F, Ft1 = 2Fи FR1 = F, FA1 = F.
  • Нанести направления сил Ft1 и FR1, приложенных к шестерне (точка – место приложения сил), а затем вычислить реакции в опорах и построить эпюры изгибающих Mв и Mг и крутящих T моментов, если D = l, Ft2 = F, FA2 = 0,5F, FR2 = 0,5F, Ft1 = 2F и FR1 = F.
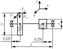
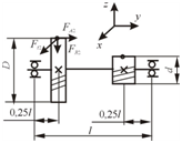
  • Нанести направления сил Ft1, FR1 и FA1, приложенных к шестерне (точка – место приложения сил), а затем вычислить реакции в опорах и построить эпюры изгибающих Mв и Mг и крутящих T моментов, если D = l, d = 0,5l,Ft2 = F, FA2 = 0,5F, FR2 = 0,5F, Ft1 = 2Fи FR1 = F, FA1 = F.
  • Нанести направления сил Ft1, FR1 и FA1, приложенных к шестерне (точка – место приложения сил), а затем вычислить реакции в опорах и построить эпюры изгибающих Mв и Mг и крутящих T моментов, если D = l, d = 0,5l,Ft2 = F, FA2 = 0,5F, FR2 = 0,5F, Ft1 = 2Fи FR1 = F, FA1 = F.
  • Нанести направления сил Ft1 и FR1, приложенных к шестерне (точка – место приложения сил), а затем вычислить реакции в опорах и построить эпюры изгибающих Mв и Mг и крутящих T моментов, если D = l, Ft2 = F, FA2 = 0,5F, FR2 = 0,5F, Ft1 = 2Fи FR1 = F.
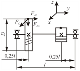
  • Нанести направления сил Ft1, FR1 и FA1, приложенных к шестерне (точка – место приложения сил), а затем вычислить реакции в опорах и построить эпюры изгибающих Mв и Mг и крутящих T моментов, если D = l, d = 0,5l,Ft2 = F, FA2 = 0,5F, FR2 = 0,5F, Ft1 = 2Fи FR1 = F, FA1 = F.
  • Нанести направления сил Ft1, FR1 и FA1, приложенных к шестерне (точка – место приложения сил), а затем вычислить реакции в опорах и построить эпюры изгибающих Mв и Mг и крутящих T моментов, если D = l, d = 0,5l,Ft2 = F, FA2 = 0,5F, FR2 = 0,5F, Ft1 = 2Fи FR1 = F, FA1 = F.
  • Нанести направления сил Ft1 и FR1, приложенных к шестерне (точка – место приложения сил), а затем вычислить реакции в опорах и построить эпюры изгибающих Mв и Mг и крутящих T моментов, если D = l, Ft2 = F, FA2 = 0,5F, FR2 = 0,5F, Ft1 = 2Fи FR1 = F.
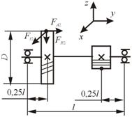
  • Нанести направления сил Ft1, FR1 и FA1, приложенных к шестерне (точка – место приложения сил), а затем вычислить реакции в опорах и построить эпюры изгибающих Mв и Mг и крутящих T моментов, если D = l, d = 0,5l,Ft2 = F, FA2 = 0,5F, FR2 = 0,5F, Ft1 = 2Fи FR1 = F, FA1 = F.
  • Нанести направления сил Ft1, FR1 и FA1, приложенных к шестерне (точка – место приложения сил), а затем вычислить реакции в опорах и построить эпюры изгибающих Mв и Mг и крутящих T моментов, если D = l, d = 0,5l,Ft2 = F, FA2 = 0,5F, FR2 = 0,5F, Ft1 = 2Fи FR1 = F, FA1 = F.
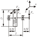
  • Вычислить реакции в опорах и построить эпюры изгибающих Mв и Mг и крутящих T моментов, где Fм – радиальная сила от муфты неопределенного направления, если D = l, ,Ft2 = F, FA2 = 0,5F, FR2 = 0,5F, Fм = F.
  • Задачи решены в общем виде

Характеристики ответов (шпаргалок) к КР

Учебное заведение
Семестр
Номер задания
Просмотров
2907
Размер
70,98 Mb

Преподаватели

Список файлов

РК 3
7-9
0001.jpg
0002.jpg
0003.jpg
10-12
0001.jpg
0002.jpg
0003.jpg
13-15
0001.jpg
16-18
0001.jpg
0002.jpg
19-21
0001.jpg
0002.jpg
0003.jpg
25-27
0001.jpg
0002.jpg
0003.jpg
0004.jpg
0005.jpg
0006.jpg
Картинка-подпись
Если вам всё понравилось, поставьте оценку и напишите пару слов о работе - так вы поможете другим покупателям. В благодарность мы вернём вам 40 рублей на счёт.❤️

Комментарии

Нет комментариев
Стань первым, кто что-нибудь напишет!
Поделитесь ссылкой:
Цена: 600 240 руб.
Расширенная гарантия +3 недели гарантии, +10% цены
Рейтинг покупателей
5 из 5
Поделитесь ссылкой:
Сопутствующие материалы

Подобрали для Вас услуги

-26%
Вы можете использовать полученные ответы для подготовки к экзамену в учебном заведении и других целях, не нарушающих законодательство РФ и устав Вашего учебного заведения.
Свежие статьи
Популярно сейчас
А знаете ли Вы, что из года в год задания практически не меняются? Математика, преподаваемая в учебных заведениях, никак не менялась минимум 30 лет. Найдите нужный учебный материал на СтудИзбе!
Ответы на популярные вопросы
Да! Наши авторы собирают и выкладывают те работы, которые сдаются в Вашем учебном заведении ежегодно и уже проверены преподавателями.
Да! У нас любой человек может выложить любую учебную работу и зарабатывать на её продажах! Но каждый учебный материал публикуется только после тщательной проверки администрацией.
Вернём деньги! А если быть более точными, то автору даётся немного времени на исправление, а если не исправит или выйдет время, то вернём деньги в полном объёме!
Да! На равне с готовыми студенческими работами у нас продаются услуги. Цены на услуги видны сразу, то есть Вам нужно только указать параметры и сразу можно оплачивать.
Отзывы студентов
Ставлю 10/10
Все нравится, очень удобный сайт, помогает в учебе. Кроме этого, можно заработать самому, выставляя готовые учебные материалы на продажу здесь. Рейтинги и отзывы на преподавателей очень помогают сориентироваться в начале нового семестра. Спасибо за такую функцию. Ставлю максимальную оценку.
Лучшая платформа для успешной сдачи сессии
Познакомился со СтудИзбой благодаря своему другу, очень нравится интерфейс, количество доступных файлов, цена, в общем, все прекрасно. Даже сам продаю какие-то свои работы.
Студизба ван лав ❤
Очень офигенный сайт для студентов. Много полезных учебных материалов. Пользуюсь студизбой с октября 2021 года. Серьёзных нареканий нет. Хотелось бы, что бы ввели подписочную модель и сделали материалы дешевле 300 рублей в рамках подписки бесплатными.
Отличный сайт
Лично меня всё устраивает - и покупка, и продажа; и цены, и возможность предпросмотра куска файла, и обилие бесплатных файлов (в подборках по авторам, читай, ВУЗам и факультетам). Есть определённые баги, но всё решаемо, да и администраторы реагируют в течение суток.
Маленький отзыв о большом помощнике!
Студизба спасает в те моменты, когда сроки горят, а работ накопилось достаточно. Довольно удобный сайт с простой навигацией и огромным количеством материалов.
Студ. Изба как крупнейший сборник работ для студентов
Тут дофига бывает всего полезного. Печально, что бывают предметы по которым даже одного бесплатного решения нет, но это скорее вопрос к студентам. В остальном всё здорово.
Спасательный островок
Если уже не успеваешь разобраться или застрял на каком-то задание поможет тебе быстро и недорого решить твою проблему.
Всё и так отлично
Всё очень удобно. Особенно круто, что есть система бонусов и можно выводить остатки денег. Очень много качественных бесплатных файлов.
Отзыв о системе "Студизба"
Отличная платформа для распространения работ, востребованных студентами. Хорошо налаженная и качественная работа сайта, огромная база заданий и аудитория.
Отличный помощник
Отличный сайт с кучей полезных файлов, позволяющий найти много методичек / учебников / отзывов о вузах и преподователях.
Отлично помогает студентам в любой момент для решения трудных и незамедлительных задач
Хотелось бы больше конкретной информации о преподавателях. А так в принципе хороший сайт, всегда им пользуюсь и ни разу не было желания прекратить. Хороший сайт для помощи студентам, удобный и приятный интерфейс. Из недостатков можно выделить только отсутствия небольшого количества файлов.
Спасибо за шикарный сайт
Великолепный сайт на котором студент за не большие деньги может найти помощь с дз, проектами курсовыми, лабораторными, а также узнать отзывы на преподавателей и бесплатно скачать пособия.
Популярные преподаватели
Добавляйте материалы
и зарабатывайте!
Продажи идут автоматически
6909
Авторов
на СтудИзбе
267
Средний доход
с одного платного файла
Обучение Подробнее
{user_main_secret_data}