Для студентов МГТУ им. Н.Э.Баумана по предмету Детали машин (ДМ)Рубежный контрольРубежный контроль
5,00548
2015-12-202024-08-31СтудИзба
Ответы к контрольной работе 2: Рубежный контроль
-60%
Описание
Вопросы к Рубежному контроль №2
- Основные геометрические параметры прямозубых и косозубых цилиндрических зубчатых передач внешнего зацепления. Передаточное число. Силы в зацеплении косозубой передачи.
- Как найти допускаемые напряжения при расчете прямозубых цилиндрических зубчатых колес на контактную выносливость? Как учитывают при этом заданный ресурс? Как учитывают при этом переменность режима работы по времени?
- Как найти допускаемые напряжения при расчете косозубых цилиндрических зубчатых колес на контактную выносливость? Как учитывают при этом заданный ресурс? Как учитывают при этом переменность режима работы по времени?
- Как найти допускаемые напряжения при расчете цилиндрических зубчатых колес на изгибную выносливость? Как учитывают при этом заданный ресурс? Как учитывают при этом переменность режима работы по времени?
- Расчетная схема и расчет зубьев цилиндрических зубчатых передач на контактную выносливость. Анализ параметров, входящих в расчетную формулу.
- Расчетная схема и расчет зубьев цилиндрических зубчатых передач на изгибную выносливость. Анализ параметров, входящих в расчетную формулу.
- Причины выхода из строя зубчатых передач. Какие напряжения вызывают выход их из строя и в каких случаях? Материалы зубчатых колес и их термообработка. Силы в зацеплении прямозубых и косозубых цилиндрических передач (эскизы с направлением сил и формулы для их вычисления).
- Конические зубчатые передачи: их виды, достоинства, недостатки. Основные кинематические и геометрические параметры. Определение сил в прямозубой конической передаче. Привести эскиз этой передачи, задать направление вращения шестерни и нанести направления сил.
- В какие формулы входит коэффициент нагрузки цилиндрической зубчатой передачи? От каких параметров зависит этот коэффициент? Как влияют линейная скорость зубьев, схема редуктора, степень точности передачи?
- Как влияет скорость скольжения в контакте червяка и червячного колеса на выбор материалов червячной передачи и допускаемые напряжения? В каких случаях при определении допускаемых напряжений следует учитывать число циклов нагружения?
- Червячная передача. Ее эскиз. Ее геометрические параметры и передаточное число. Для какой цели применяют смещение инструмента? Как осуществляют регулировку передачи?
- Назначение, принцип действия, достоинства и недостатки (по сравнению с зубчатыми передачами) червячных передач. Основные геометрические параметры червяка и червячного колеса в передаче, нарезанной без смещения инструмента.
- Дать эскиз червячной передачи с указанием направления витков червяка и направлением его вращения. На эскизе нанести векторы сил, нагружающих зубья червяка и червячного колеса. Привести формулы для вычисления этих сил.
- КПД червячной передачи, анализ расчетной зависимости. Способы повышения КПД. Тепловой расчет и способы охлаждения червячных редукторов.
- Геометрические параметры конической зубчатой передачи (дать ее эскиз) и ее передаточное число. Виды конических зубчатых передач и сопоставление их качеств. Зависимости для определения сил в прямозубой конической передаче.
- Принцип действия, положительные и отрицательные качества волновой передачи. Дать ее эскиз. Ее передаточное число. Чем ограничен верхний и нижний пределы ее передаточных чисел?
- Положительные и отрицательные качества планетарной передачи. Ее компоненты, геометрические параметры (дать эскиз передачи), передаточное число и силы, возникающие в зацеплениях зубьев.
- Силы натяжения ведущей и ведомой ветвей ремня в работающей ременной передаче. Формула Эйлера.
- Достоинства и недостатки ременной передачи. Типы применяемых ремней, их сравнение. Силы, действующие на валы ременной передачи.
- Ременные передачи. Дуга покоя и дуга скольжения. Зависимость коэффициента скольжения от нагрузки.
- Достоинства и недостатки цепной передачи по сравнению с ременной. Основной критерий работоспособности цепной передачи. Формула расчета цепной передачи по этому критерию. Эскиз звена цепи с указанием на эскизе поверхности контакта, которая входит в расчетную формулу.
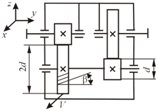
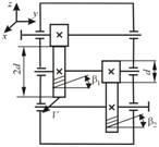
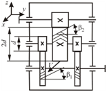
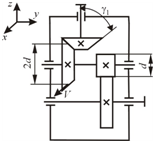
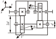
- Изобразить промежуточный вал с колёсами (быстроходная ступень косозубая, а и тихоходная прямозубая). Указать, в какую сторону направлены зубья его колес. Нанести векторы сил, нагружающих эти зубья. Написать формулы для вычисления этих сил. Определить эти силы, если крутящий момент на промежуточном валу равен T, а d и 2d – диаметры делительных окружностей шестерни и колеса. V − вектор скорости.

- Изобразить промежуточный вал с колёсами (быстроходная и тихоходная ступени косозубые). Указать, в какую сторону направлены зубья его колес. Нанести векторы сил, нагружающих эти зубья. Написать формулы для вычисления этих сил. Определить эти силы, если крутящий момент на промежуточном валу равен T, а d и 2d – диаметры делительных окружностей шестерни и колеса. V − вектор скорости.

- Изобразить промежуточный вал с колёсами (быстроходная и тихоходная ступени косозубые). Указать, в какую сторону направлены зубья его колес. Нанести векторы сил, нагружающих эти зубья. Написать формулы для вычисления этих сил. Определить эти силы, если крутящий момент на промежуточном валу равен T, а d и 2d – диаметры делительных окружностей шестерни и колеса. V − вектор скорости.
-
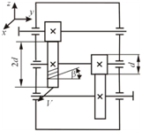
- Изобразить промежуточный вал с колёсами (быстроходная ступень косозубая, а и тихоходная прямозубая). Указать, в какую сторону направлены зубья его колес. Нанести векторы сил, нагружающих эти зубья. Написать формулы для вычисления этих сил. Определить эти силы, если крутящий момент на промежуточном валу равен T, а d и 2d – диаметры делительных окружностей шестерни и колеса. V − вектор скорости.

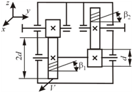
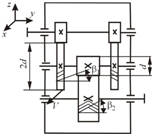
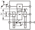
- Изобразить промежуточный вал с колёсами (быстроходная и тихоходная ступени косозубые). Указать, в какую сторону направлены зубья его колес. Нанести векторы сил, нагружающих эти зубья. Написать формулы для вычисления этих сил. Определить эти силы, если крутящий момент на промежуточном валу равен T, а d и 2d – диаметры делительных окружностей шестерни и колеса. V − вектор скорости.

- Изобразить промежуточный вал с колёсами (быстроходная и тихоходная ступени косозубые). Указать, в какую сторону направлены зубья его колес. Нанести векторы сил, нагружающих эти зубья. Написать формулы для вычисления этих сил. Определить эти силы, если крутящий момент на промежуточном валу равен T, а d и 2d – диаметры делительных окружностей шестерни и колеса. V − вектор скорости.

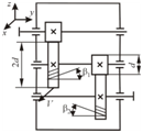
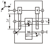
- Изобразить промежуточный вал с колёсами (быстроходная и тихоходная ступени косозубые). Указать, в какую сторону направлены зубья его колес. Нанести векторы сил, нагружающих эти зубья. Написать формулы для вычисления этих сил. Определить эти силы, если крутящий момент на промежуточном валу равен T, а d и 2d – диаметры делительных окружностей шестерни и колеса. V − вектор скорости.

- Изобразить промежуточный вал с колёсами (быстроходная и тихоходная ступени косозубые). Указать, в какую сторону направлены зубья его колес. Нанести векторы сил, нагружающих эти зубья. Написать формулы для вычисления этих сил. Определить эти силы, если крутящий момент на промежуточном валу равен T, а d и 2d – диаметры делительных окружностей шестерни и колеса. V − вектор скорости.

- Изобразить промежуточный вал с колёсами (быстроходная ступень косозубая, а и тихоходная прямозубая). Указать, в какую сторону направлены зубья его колес. Нанести векторы сил, нагружающих эти зубья. Написать формулы для вычисления этих сил. Определить эти силы, если крутящий момент на промежуточном валу равен T, а d и 2d – диаметры делительных окружностей шестерни и колеса. V − вектор скорости.

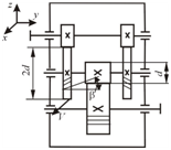
- Изобразить промежуточный вал с колёсами (быстроходная и тихоходная ступени косозубые). Указать, в какую сторону направлены зубья его колес. Нанести векторы сил, нагружающих эти зубья. Написать формулы для вычисления этих сил. Определить эти силы, если крутящий момент на промежуточном валу равен T, а d и 2d – диаметры делительных окружностей шестерни и колеса. V − вектор скорости.

- Изобразить промежуточный вал с колёсами (быстроходная и тихоходная ступени косозубые). Указать, в какую сторону направлены зубья его колес. Нанести векторы сил, нагружающих эти зубья. Написать формулы для вычисления этих сил. Определить эти силы, если крутящий момент на промежуточном валу равен T, а d и 2d – диаметры делительных окружностей шестерни и колеса. V − вектор скорости

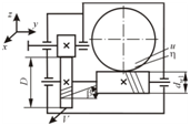
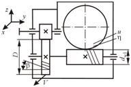
- Изобразить промежуточный вал с колёсом и червяком (быстроходная ступень косозубая). Указать, в какую сторону направлены зубья колеса и витки червяка. Нанести векторы сил, нагружающих зубья колеса и витки червяка. Написать формулы для вычисления этих сил. Определить эти силы, если крутящий момент на промежуточном валу равен T, dw1 и D – диаметры начальных окружностей червяка и зубчатого колеса, u и η ‒ передаточное число и КПД червячной передачи. V − вектор скорости.

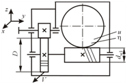
- Изобразить промежуточный вал с колёсом и червяком (быстроходная ступень прямозубая). Указать, в какую сторону направлены зубья колеса и витки червяка. Нанести векторы сил, нагружающих зубья колеса и витки червяка. Написать формулы для вычисления этих сил. Определить эти силы, если крутящий момент на промежуточном валу равен T, dw1 и D – диаметры начальных окружностей червяка и зубчатого колеса, u и η ‒ передаточное число и КПД червячной передачи. V − вектор скорости.

- Изобразить промежуточный вал с колёсом и червяком (быстроходная ступень косозубая). Указать, в какую сторону направлены зубья колеса и витки червяка. Нанести векторы сил, нагружающих зубья колеса и витки червяка. Написать формулы для вычисления этих сил. Определить эти силы, если крутящий момент на промежуточном валу равен T, dw1 и D – диаметры начальных окружностей червяка и зубчатого колеса, u и η ‒ передаточное число и КПД червячной передачи. V − вектор скорости.

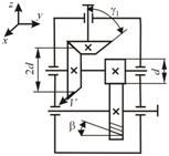
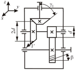
- Изобразить промежуточный вал с колёсами (быстроходная и тихоходная ступени прямозубые). Нанести векторы сил, нагружающих эти зубья. Написать формулы для вычисления этих сил. Определить эти силы, если крутящий момент на промежуточном валу равен T, а d и 2d – диаметры делительных окружностей шестерни и колеса, γ1 − угол делительного конуса конической шестерни. V − вектор скорости.

- Изобразить промежуточный вал с колёсами (быстроходная ступень прямозубая, а тихоходная косозубая). Нанести векторы сил, нагружающих эти зубья. Написать формулы для вычисления этих сил. Определить эти силы, если крутящий момент на промежуточном валу равен T, а d и 2d – диаметры делительных окружностей шестерни и колеса, γ1 − угол делительного конуса конической шестерни. V − вектор скорости.

- Изобразить промежуточный вал с колёсами (быстроходная ступень прямозубая, а тихоходная косозубая). Нанести векторы сил, нагружающих эти зубья. Написать формулы для вычисления этих сил. Определить эти силы, если крутящий момент на промежуточном валу равен T, а d и 2d – диаметры делительных окружностей шестерни и колеса, γ1 − угол делительного конуса конической шестерни. V − вектор скорости.

- Задачи решены в общем виде для червячной, конической и цилиндрической передач
Характеристики ответов (шпаргалок) к КР
Предмет
Учебное заведение
Семестр
Номер задания
Теги
Просмотров
3501
Размер
45,91 Mb
Преподаватели
Список файлов
РК 2
Фото
IMG_20151211_171606.jpg
IMG_20151211_171616.jpg
IMG_20151211_171623.jpg
IMG_20151211_171632.jpg
IMG_20151211_171639.jpg
IMG_20151211_171647.jpg
IMG_20151211_171653.jpg
IMG_20151211_171702.jpg
IMG_20151211_171708.jpg
IMG_20151211_171720.jpg
IMG_20151211_171726.jpg
IMG_20151211_171735.jpg
IMG_20151211_171742.jpg
IMG_20151211_171751.jpg
IMG_20151211_171756.jpg
IMG_20151211_171805.jpg
IMG_20151211_171810.jpg
IMG_20151211_171819.jpg
IMG_20151211_171825.jpg
IMG_20151211_171835.jpg
1-3.docx
4-6.docx
7-9.docx
10-12.docx
13-15.docx
16-18.docx
19-21.doc
Вопросы к РК 2 от Иванова.doc

Вам все понравилось? Получите кэшбэк - 40 рублей на Ваш счёт при покупке. Поставьте оценку и напишите положительный комментарий к купленному файлу. После Вы получите деньги на ваш счет.