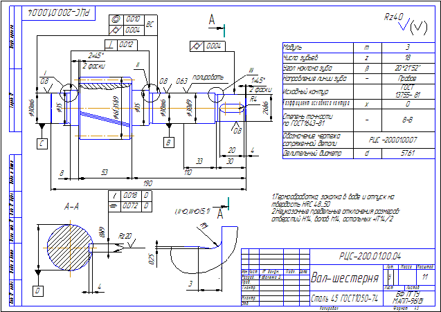
Для студентов по предмету ЧерчениеВ Компасе создать чертёж:Вал-шестерня. Модуль m=3; число зубьевВ Компасе создать чертёж:Вал-шестерня. Модуль m=3; число зубьев
4,805357
2014-08-112025-05-22СтудИзба
Задача: В Компасе создать чертёж:Вал-шестерня. Модуль m=3; число зубьев
Описание
Вал-шестерня. Модуль m=3; число зубьев z=18.
Детали машин, чертёж, Бф ПГТУ.
Характеристики решённой задачи
Предмет
Просмотров
1713
Качество
Идеальное компьютерное
Размер
11,87 Kb
Список файлов
Вал-шестерня 2.cdw
Комментарии
Нет комментариев
Стань первым, кто что-нибудь напишет!























