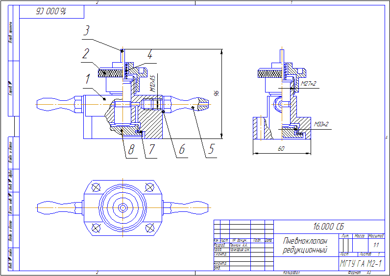
Для студентов по предмету ЧерчениеСоздать в Компасе чертёж:Пневмоклапан редукционный (чертёж иСоздать в Компасе чертёж:Пневмоклапан редукционный (чертёж и
4,805302
2014-08-112025-05-22СтудИзба
Задача: Создать в Компасе чертёж:Пневмоклапан редукционный (чертёж и
Описание
Характеристики решённой задачи
Предмет
Просмотров
1708
Качество
Идеальное компьютерное
Размер
23,43 Kb
Список файлов
Клапан сетевой обратный (спецификация).cdw
Клапан сетевой обратный.cdw
Пневмоклапан (спецификация).cdw
Пневмоклапан.cdw
Комментарии
Нет комментариев
Стань первым, кто что-нибудь напишет!
























